

第1页 / 共23页

第2页 / 共23页

第3页 / 共23页

第4页 / 共23页

第5页 / 共23页

第6页 / 共23页

第7页 / 共23页

第8页 / 共23页

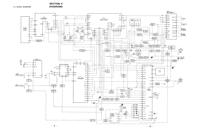
第9页 / 共23页

第10页 / 共23页
试读已结束,还剩13页,您可下载完整版后进行离线阅读
THE END
0-99SERVICE MANUALUS ModelCanadian ModelAEP ModelUK ModelDiscmanE ModelDSc而anModel Name Using Similar MechanismD-9/90CD Mechanism TypeCDM-90SPECIFICATIONSCD sectionodeproperieCompact disc digital audio systemMaterial:GaAlAsWavelength:780 nmEmission duration:ContinuousLaser output:Less than 44.6uWonaobece8swaewodocpieaprcp2aocSpindle speed500 r.p.m.to 200 r.p.m.(CLV)Scan velocity1.2-1.4m/sec.Error correctionSony Super Strategy Cross Interleave Reed Solomon CodeD-A conversion1-bit quarz time-axis controlFrequency response20-20,000HzdBWow and flutterBelow measurable limit.Outputs (at 9 V input level)Line output (stereo minijack)Output level 1.0 V rms at 50 kilohmsLoad impedance over 10 kilohmsHeadphones (stereo minijack)9mW +9 mW at 16 ohms.Measured by EIAJ CP-307GeneralPower requirementsRechargeable battery pack BP-2EX (supplied)Battery case EBP-2 (supplied)and two size AA (LR6)alkalinebatteries (optional)DC IN 9 V jack accepts:Sony AC power adaptor (supplied)Continued on page 2-CAUTIONUse of controls or adjustments or performance of pro-cedures other than those specified herein may result inhazardous radiation exposure.COMPACT DISC COMPACT PLAYERSONY
请登录后查看评论内容