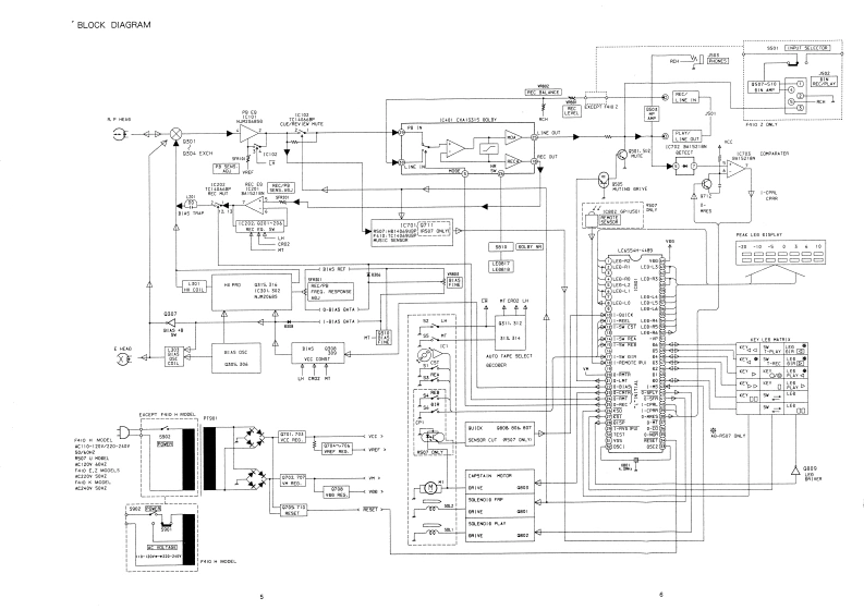
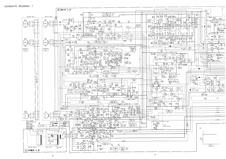
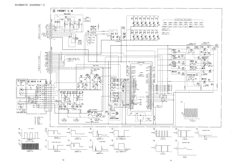
爱华Aiwa-AD-F410-维修手册找手册网17天前发布关注私信4.13MB23页036爱华Aiwa-AD-F410-维修手册此内容为付费资源,请付费后查看¥19¥21黄金会员免费钻石会员免费登录购买付费资源 第1页 / 共23页 第2页 / 共23页 第3页 / 共23页 第4页 / 共23页 第5页 / 共23页 第6页 / 共23页 第7页 / 共23页 第8页 / 共23页 第9页 / 共23页 第10页 / 共23页 试读已结束,还剩13页,您可下载完整版后进行离线阅读 THE END爱华/Mcintosh 文本预览 S/M Code No.91-026 DATE OF ISSUE 6/1991-TAIWAAD-R507AD-F410SERVIC旺MANUALSTEREO CASSETTE DECKU(R507)BASIC TAPE MECHANISM:a-14TYPE.H,E,K,Z(F410)AIWA Co.,Ltd.Tokyo J apanPrinted in Japan 查看更多 收起部分 喜欢就支持一下吧收藏
请登录后查看评论内容