

第1页 / 共29页

第2页 / 共29页

第3页 / 共29页

第4页 / 共29页

第5页 / 共29页

第6页 / 共29页

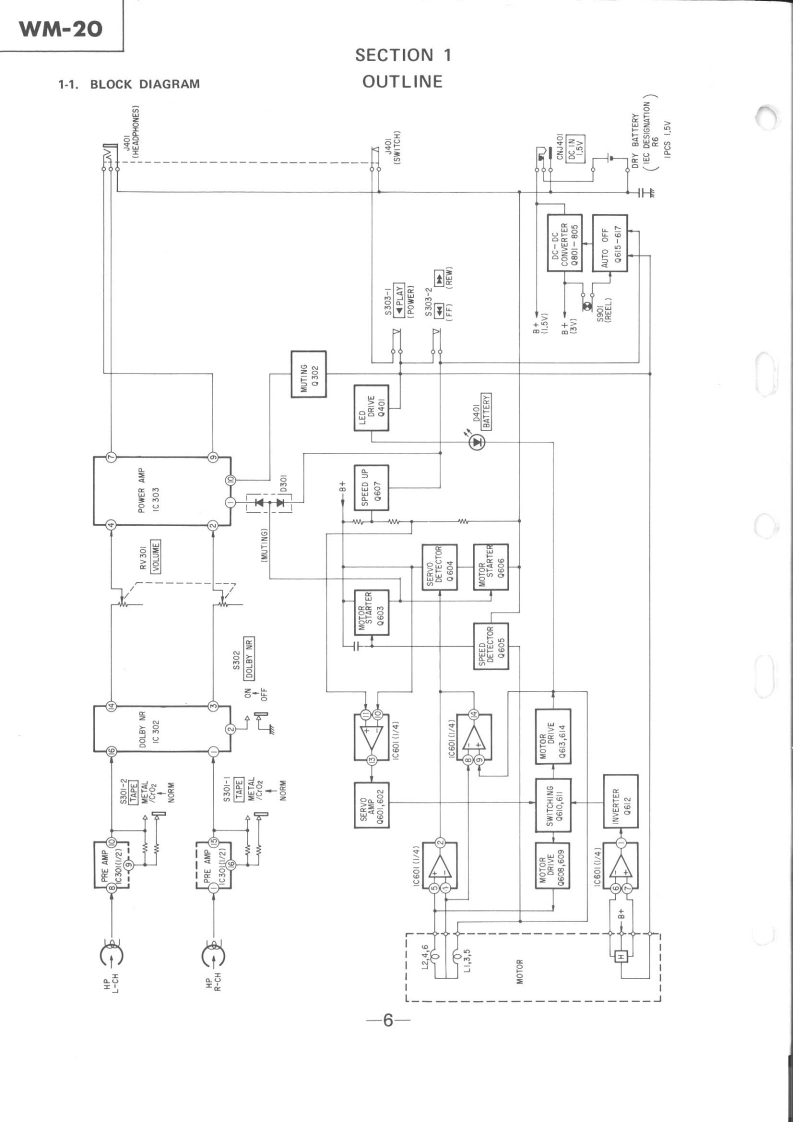
第7页 / 共29页

第8页 / 共29页

第9页 / 共29页

第10页 / 共29页
试读已结束,还剩19页,您可下载完整版后进行离线阅读
THE END
WM-20Refer to MDR-W30L Service Manual issued previouslySERVICE MANUALfor information of headphones supplied with this set.AEP ModelUK ModelE ModelSPECIFICATIONSTape track:4-track 2-channel stereoFast winding time:Approx.2 min.with Sony cassette C-60Frequency response IDOLBY NR OFF)Power output:5 mW x 2(max.)5 mW x 2 (at 10%harmonic distortion)at de operationPower requirements:1.5 V dcSize AA battery (IEC designation B6Extemal batteries (used in the optional battery case EBP.10%size AA (IEC designa.10n日5l¥2DC IN 1.5 V jack accepts:Sony AC-D1 ac power adaptor (optional)yor use on 120 V ac or Sony DCC-70 car battery cord (optional)for use with 12 V car battery.Battery life (continuous playback hourskApprox.2.5 hours with supplied Sony SUM-3 INS)New Super batteryApprox.5 hours with Sony Eveready AM3 alkaline batteryFor maximum performance we recommend the use of alkaline batteryDimensions:Approx 69.5 109.5 176 mm (w/h/d)2与,4,¥a inche5not incl.projecting parts and controlsWeight:Approx.180 g (6.4 oz)incl.battery.not incl.other accessones'Dolby'and the double-D symbol are the trade marks ofDolby Laboratories Licensing Corporation.Noise reductionsystem manufactured under license from Dolby LaboratoriesLicensing Corporation.STEREO CASSETTE PLAYERMICROFILMSONYTC
请登录后查看评论内容