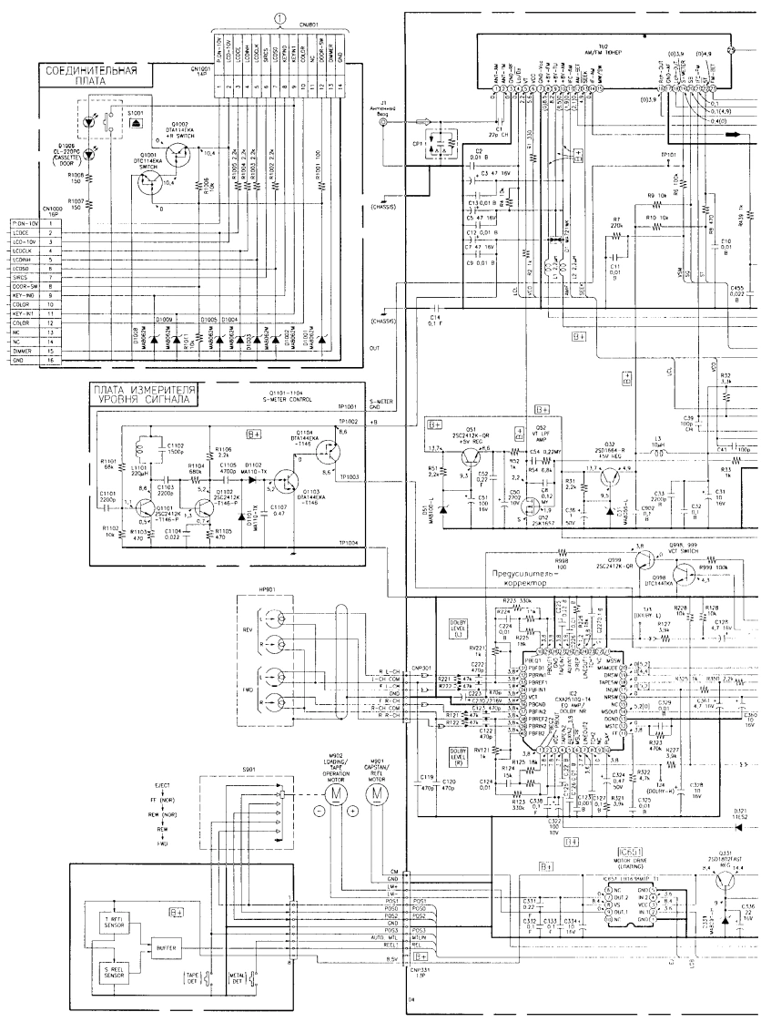
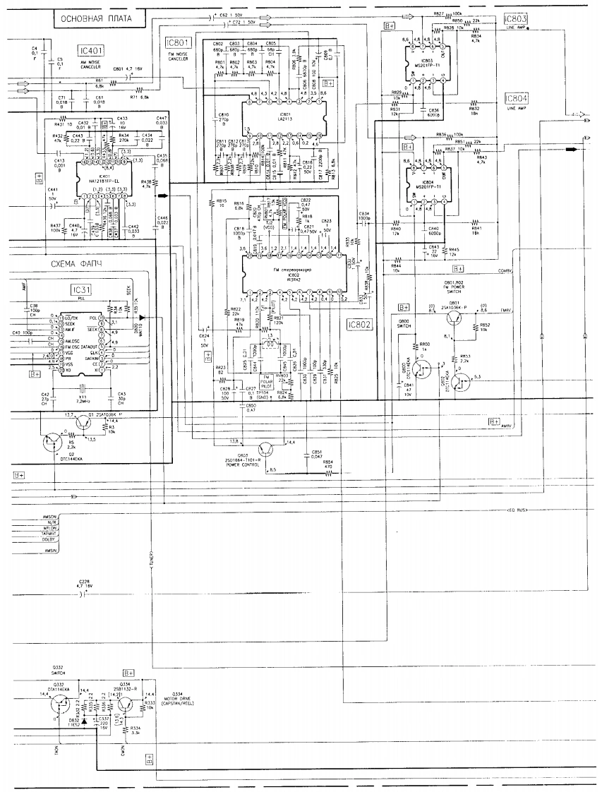
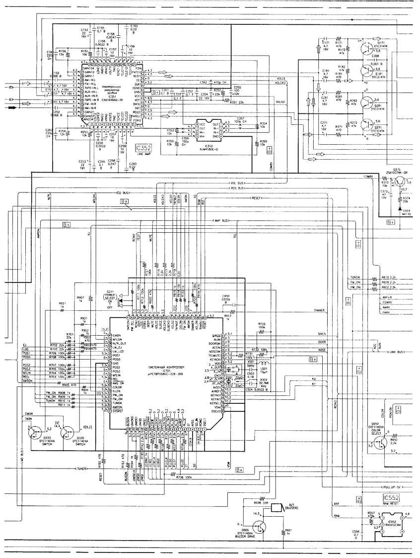
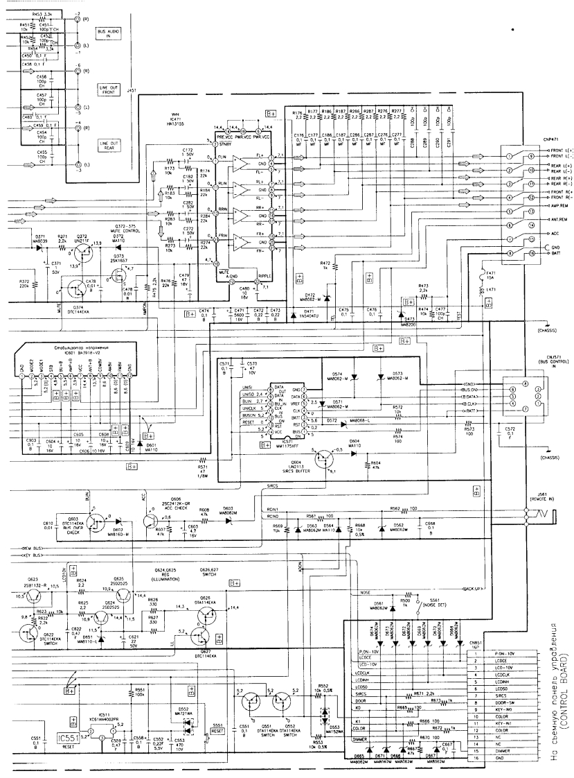
索尼XR-C503维修手册含电器原理图找手册网17天前发布关注私信0.32MB5页025索尼XR-C503维修手册含电器原理图此内容为付费资源,请付费后查看¥19¥21黄金会员免费钻石会员免费登录购买付费资源 第1页 / 共5页 第2页 / 共5页 第3页 / 共5页 第4页 / 共5页 第5页 / 共5页 已完成全部阅读,共5页 THE END索尼 文本预览 ⑦/10-COEAMHMTENbHARGAA0.1t4.1-4的1PON-I0V10002-KEY-NO01010101413几ATAM3国P001B+日B王+w1p10E22.器8971p1034w901xoppekmop74.471GP2PB:N2个520蒿月132乐z(-常⊙⊙6BnLE 查看更多 收起部分 喜欢就支持一下吧收藏
请登录后查看评论内容