

第1页 / 共25页

第2页 / 共25页

第3页 / 共25页

第4页 / 共25页

第5页 / 共25页

第6页 / 共25页

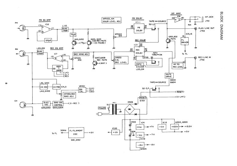
第7页 / 共25页

第8页 / 共25页
试读已结束,还剩17页,您可下载完整版后进行离线阅读
THE END
S/M Code No.88-049 DATE OF ISSUE 6/1988-1AIWAXK-005AD-F780,F880SERVICEMANUALSTEREO CASSETTE DECK.BASIC TAPE MECHANISM:DM-31 (EXCEPT U)·TYPE.DDM-32(U)H,U,C(F780)/E,K,Z(F880)◆6482●製品7一K:82234-1031(B)廿-又技術二2一入番号速格内容G-G--G-了人ワ株式会社AIWA Co.,LtdTokyo Japan〒110東京都台東区池之端1一2一11容03(827)3111(代表)Printed in JapanHA
请登录后查看评论内容