

第1页 / 共24页

第2页 / 共24页

第3页 / 共24页

第4页 / 共24页

第5页 / 共24页

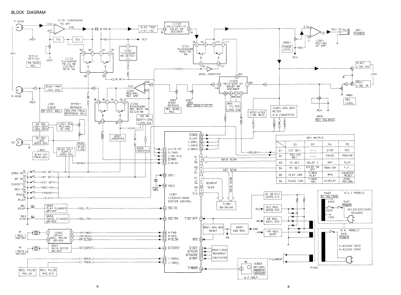
第6页 / 共24页

第7页 / 共24页

第8页 / 共24页
试读已结束,还剩16页,您可下载完整版后进行离线阅读
THE END
S/M Code No.91-099 DATE OF ISSUE 11/1991-TAIWAAD-F810SERVICEMANUALSTEREO CASSETTE DECK.BASIC TAPE MECHANISM:a-12·TYPE.H,U,C,E,KSPECIFICATIONSType Stereo cassette tape deckHeads Playback head x 1 (PC-OCC coilTrack formatsuper DX head)4 tracks,2 channelsRecording head x 1 (PC-OCC coilPower supplysuper DX head)AD-F810EErase head x 1 (Double-gapAC 220V,50Hzsendust head)AD-F810KInputs REC/LINE IN,maximum inputAC 240V,50Hzsensitivity:50mV (47k)AD-F810 H,U,COutputsAC 120/220/240V switchable,50/PLAY/LINE OUT standard output60Hzlevel:370mV (0VU):suitable loadPower consumptionimpedance:over 47knAD-F810H18WPHONES:0.8mW0VU月AD-F810U.C.E,K25Wsuitable load impedance:32Frequency responseDimensionsMetal tape:15-20,000Hz430(WM×140(H)×318.3(D)mmCr02tape:15-19.000Hz17×5-/a×12.inchesNormal tape:15-18,000HzWeight 4.9 kgSignal-to-noise ratio10.81bs80 dB (METAL tape DOLBY C NRON above 5kHz).Design and specifications are subject to change wi thoutWow and flutter0.065%(according to DIN 45500)notice.0.035%(WRMSDolby noise reduction and HX Pro headroom extensionTape speedmanufactured under license from Dolby Laboratories4.8 cm/sec.(1-%/ips)Licensing Corporation.HX Pro originated by BangRecording system0lufsen.AC bias (frequency 105kHz)"DOLBY",the double-D symbol Do and "HX PRO"areErase system AC erasetrademarks of Dolby Laboratories Licensing CorporationMotor DC servomotor×1DC motor×1AIWA Co..Ltd.Tokyo JapanPrinted in Japan
请登录后查看评论内容