

第1页 / 共17页

第2页 / 共17页

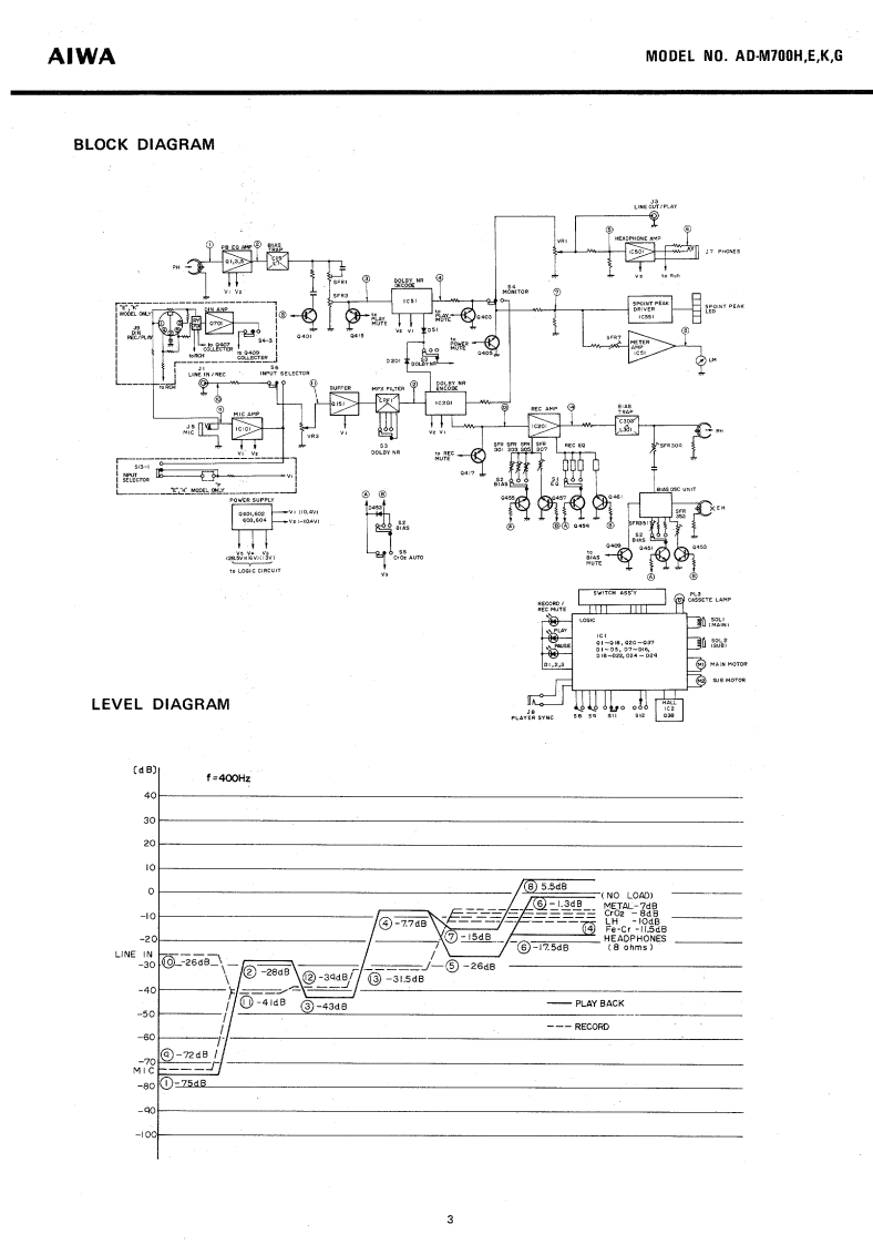
第3页 / 共17页

第4页 / 共17页

第5页 / 共17页

第6页 / 共17页

第7页 / 共17页

第8页 / 共17页
试读已结束,还剩9页,您可下载完整版后进行离线阅读
THE END
gMSTEREOCASSETTE DECKWITH DOLBY-NR SYSTEMMoDEL No.AD-M700H,E,K,GAIWA(SERVICE MANUAL】Code No.96-770-00052DATE OF ISSUE 10/1979SPECIFICATIONSSemiconductor:VU meter display error:0VU±0.5dB(O VU)(H model only]Bias frequency:105 kHz8 IC's,75 transistors,49 diodesFrequency response:OVU12 LED'sMETAL:30~12.500 Hz(E,K,G model only)30-8.000HzPower source:AC110V/120V/220V/240W-20v元Switchable 50/60 HzMETAL:20~19,000 Hz(H model)20-18,00H2AC110120V220w20-18,0000 HSwitchable 50/60 HzLH:~16.000H3IE model)Bias adjustment range:AC120V240VSwitchable 50/60 Hz±20%LH,Fe-Cr,Cr0,)Motor:DC servomotor【capstan(K,G model)DC motor (reels]Power consumption:20WHead:Recording/PlaybackDimensions:450w)×120(H)×270(D)mmV-cut Combination sendust headWeight:7 kgErasureTrack system:4 track 2 channel stereoDouble gap ferrite headTape speed:4.Bcm/s±1%Recording system:AC biasWow flutter:Less than 0.04%(WRMS)Erase system:AC eraseAutomatic stoo svFull auto stopAutomatic shut-off action time:Input:MIC:Max.input sensitivity0,3mV412mkeuplrigaures(200 S2~10 ks suitablel450±40g4.41±0.39NLINE IN:109gmNmMax.input sensitivity50 mVorque:&rewind time(More than 50 k)(w/-60ca5 sette】DIN:Max.input sensitivityyback output0.58±0.05V(LINE,D1N】0.1mV/k2.7k}TTA-161)Output:LINE OUT:Standard output levelPlayback noise:Less than 1.3 mV(METAL0.41V0VU(Un-Weighted)CrO,,Fe-Cr.DOLBY NR ON)Less than 2.8 mV (LH.DOLBYNR OFF)Rec./Pb output:O VU+1.5 dB (LINE OUT,DIN(400 Hz 0 VU)DIN;OUT)Rec./Pb distortion:than 1.2%(METAL)400Hz0VUOptimum loadLess than(Cr02impedance More thanLess than 1%F日Cr50 kness Inan 1.5%(LH)PHONES:8More than 43/46 dB [METAL,CrO,,Fe-Cr.DOLBY NR OFF/ON)Specifications and external appearance are subject to changeMore than 40/45 dB (LH,DOLBYwithout notice due to product improvemNR OFF/ON]Dolby Noise Reduction System is licensed from DolbyChannel separation:More than 35 dB(1 kHz 0 VU)nd the "Double D"symbol are tradeCross talk:Mor阳than60dBmarks of Dolby Laboratories Incorporated.(1 kHz 0 VU】Erasing ratio:More than 60 dB(METAL 125 HzCrO,,Fe-Cr.LH400Hz,0 VU+10 dB)
请登录后查看评论内容