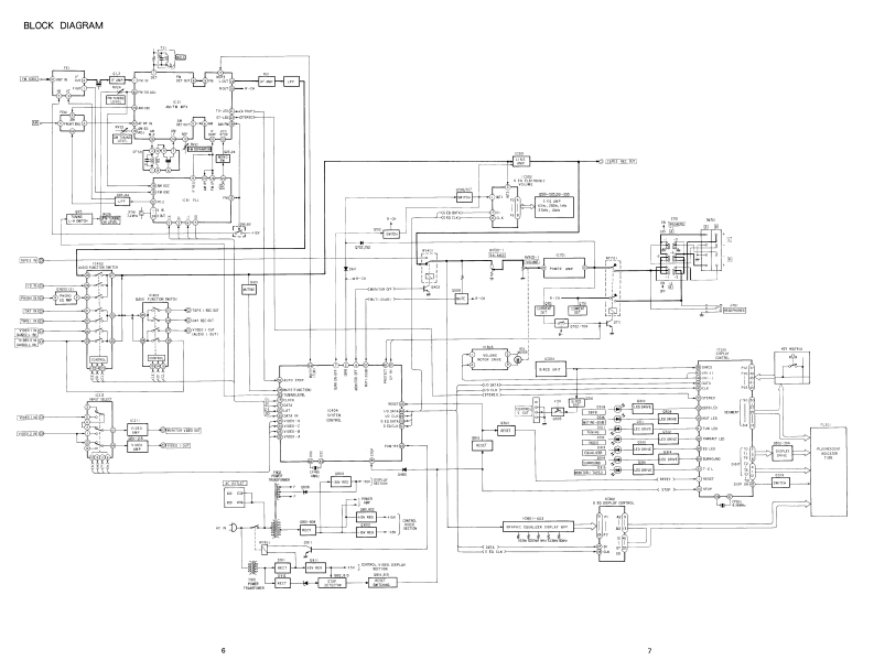
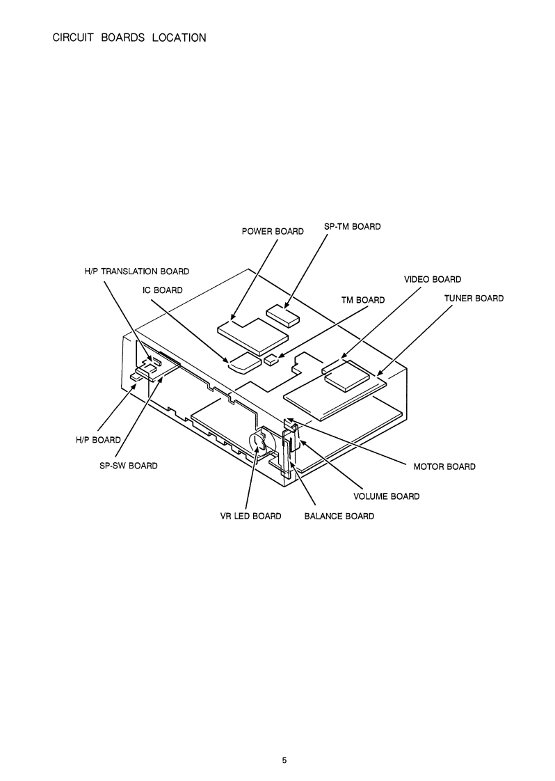
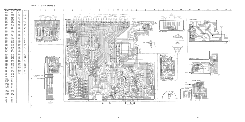
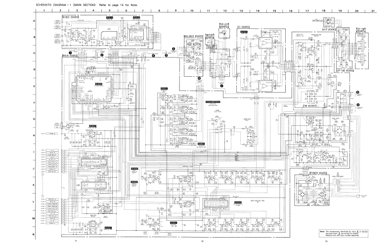
爱华Aiwa-AXR-002-维修手册找手册网16天前发布关注私信4.63MB18页045爱华Aiwa-AXR-002-维修手册此内容为付费资源,请付费后查看¥19¥21黄金会员免费钻石会员免费登录购买付费资源 第1页 / 共18页 第2页 / 共18页 第3页 / 共18页 第4页 / 共18页 第5页 / 共18页 第6页 / 共18页 第7页 / 共18页 第8页 / 共18页 试读已结束,还剩10页,您可下载完整版后进行离线阅读 THE END爱华/Mcintosh 文本预览 S/M Code No.90-002 DATE OF ISSUE 5/1990-TAWAAXR-002SERVIC旺吕0MANUAL@回STEREO RECEIVER·TYPE.UAIWA Co..LtdTokyo JapanPrinted in Japan 查看更多 收起部分 喜欢就支持一下吧收藏
请登录后查看评论内容