

第1页 / 共20页

第2页 / 共20页

第3页 / 共20页

第4页 / 共20页

第5页 / 共20页

第6页 / 共20页

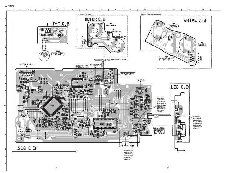
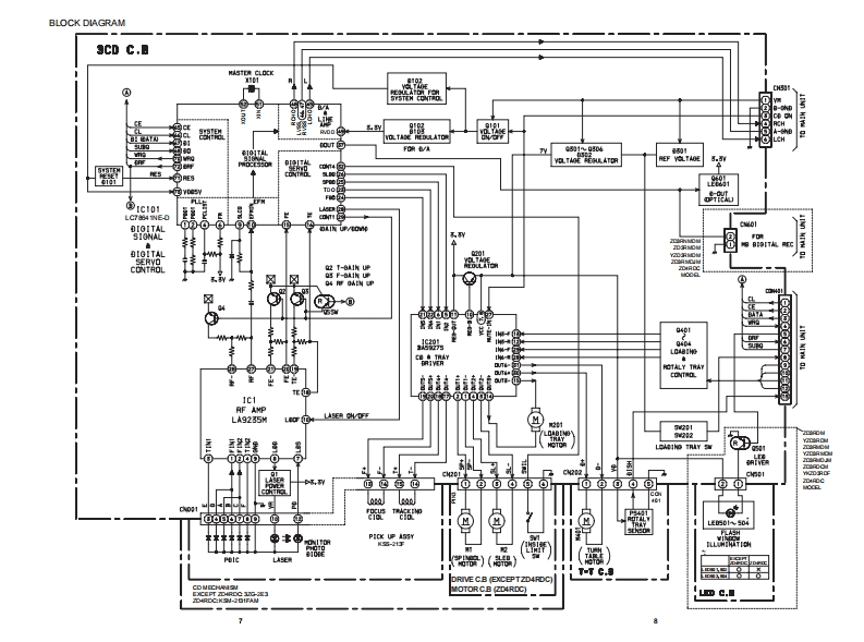
第7页 / 共20页

第8页 / 共20页
试读已结束,还剩12页,您可下载完整版后进行离线阅读
THE END
AZG-1EnglishaiwaSERVICESERVICE MANUALBASIC CD MECHANISM:3ZG-2 E3CD-R/RW MECHANISMKSM-2131FAMTYPEBASIC CD MECHANISMYKZD3RDFZD3RNDMZD3RDMYZD3RNDMYZD3RDMZD3RN1DM3ZG-2 E3YZD3RNMDMYZD3RMDMZD3RMDMZD3RMDJMYZD3RNDCMYZD3RDCMZD4RDCKSM-2131 FAMauaDATAS/M Code No.09-001-335-3N8
请登录后查看评论内容