

第1页 / 共25页

第2页 / 共25页

第3页 / 共25页

第4页 / 共25页

第5页 / 共25页

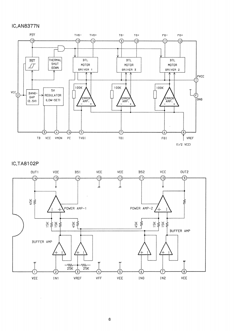
第6页 / 共25页

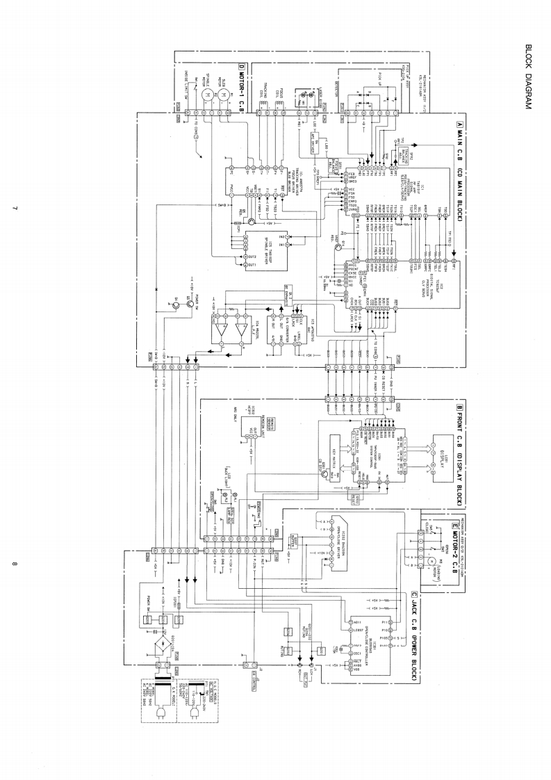
第7页 / 共25页

第8页 / 共25页
试读已结束,还剩17页,您可下载完整版后进行离线阅读
THE END
S/M Code No.91 -065 DATE OF ISSUE 12/1991-TAWADX-N3DX-NR3SERVICEMANUALCOMPACT DISC PLAYERBASIC CD MECHANISM:KSL-2101ABM●TYPEH,U,C,E,K (N3)●H,C,E,Z (NR3)SPECIFICATIONDX-N3 is the Compact Disc PlayerngmethdCompact discwhich is connected to NSX-D3,NSX-D2Non-contact opticalscannerand NX-300 (optional)only.(Semiconductor laserapplication)DX-NR3 is the Compact Disc PlayerLaserSemiconductor laser(=780nmwhich is connected to NX-100.(optional)Rotation speedApprox.500 rpm -200rpm (CLV)Error correctionCross interleave.ReedSolomon codeNo.of channels2 channelsD-A conversion16 blt LnearSignal to noise ratio92d8Harmonic distortion0.05%(1kH亿,0dB)Wow/FlutterUnmeasurablePower requirementsH,U,C:AC110-120V220240 V(selectable).50,60HzE,Z:AC 220 V,50/60 HzK:AC 240 V,50/60 HzPower consumptionH:9WU.C.E,K.Z:10WDimenaiona(W×HxD)260N764230mm(10'h×3×9 inches)Welght2.2kg(4.9).Design and specifications are subject to change withoutnotice.AIWA Co..LtdTokyo JapanPrinted in Japan
请登录后查看评论内容