

第1页 / 共20页

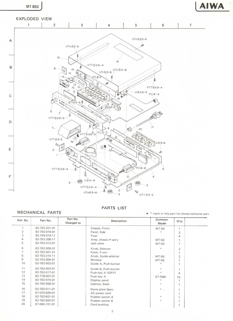
第2页 / 共20页

第3页 / 共20页

第4页 / 共20页

第5页 / 共20页

第6页 / 共20页

第7页 / 共20页

第8页 / 共20页
试读已结束,还剩12页,您可下载完整版后进行离线阅读
THE END
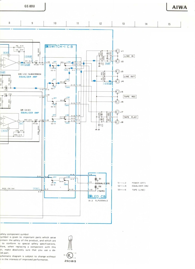
SERVICEMANUALMO▣ELNO.AUDIO PROGRAM TIMERMT-8▣312Code No.21-800-000-03GRAPHIC EQUALIZERGE-80Code No..34-800-000-03TYPE.DATE OF ISSUE 12/1981SPECIFICATIONSMT-80UGE-80UType:Degital Audio Program TimerSemiconductors:15 transistors,2 diodes,9 LEDs,Semiconductors:5 IC's,14 transistors,16 diodes,4 LED'sPower supply:AC120V,60H2Power supply:AC 120V,60 HzPower consumption:5.5WPower consumption:Dimensions:250(W0×71(H)X240(D1mmDimensions:250W)×36(Hl×2624D)mm(97/8×23/4"×91/2“)97/8"X11/2X101/2")Weight:2kg(4.401bs】Weight:1,6kg(3.52bs1Frequency response:10Hz(-0.5dB)~35kH2(±0.5dBjAccuracy:±15s./month(at25cTotal harTimer accuracy:Within 0.02 s.of the displayed timemonic distortion:Less than 0.0%(atMore than 60 dBTimer setting:24 hours,in 1 minute steps,2Equalizer frequency:40,125,220,1k,2.5k,6.3kON/OFF cycles per 24 hours possible15kHz±20%Sleep timer operation:1s.to 99 minutes,inEqualizer variable range:Upper+10±1.5dB1 s.stepswer-10±1.5dBZero reset control:1 ~29 s.set back,30 ~59 s.advanced.Input impedance:50k2±30%Output impedance:2.6k2±30%Inputs:150mV(1000Hz)Outputs:135±8mVOutput noise:Less than 0.015mVOutput level:More than 5V.Specifications and external appearance are subject to changewithout due to product improvement.AIWACO.,LTD.TOKYO JAPAN
请登录后查看评论内容