

第1页 / 共11页

第2页 / 共11页

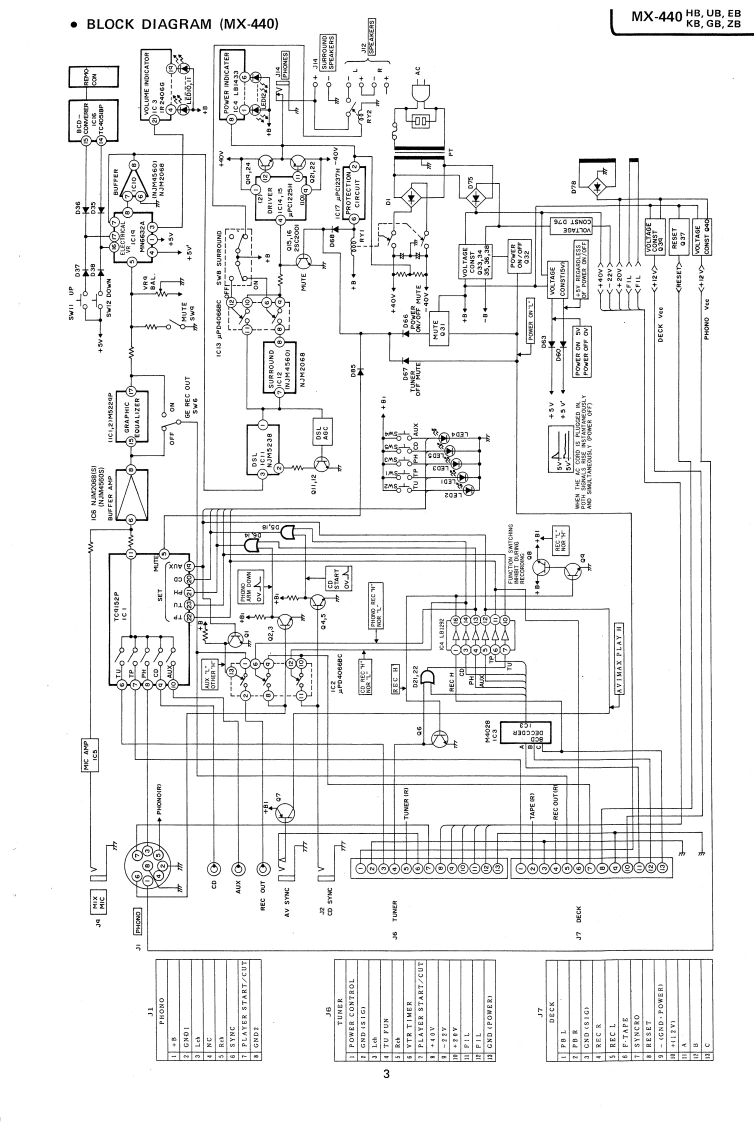
第3页 / 共11页

第4页 / 共11页

第5页 / 共11页

第6页 / 共11页

第7页 / 共11页

第8页 / 共11页
试读已结束,还剩3页,您可下载完整版后进行离线阅读
THE END
AIWAS/M Code No.86-021DATE OF ISSUE 5/1986-ZSERVICEMANUALMODEL NO.STEREO INTEGRATEDAMPLIFIERMX-440TYPE.HB,UB,EB,KB,GB,ZBSPECIFICATIONS[Power amplifier]Output jacksEffective output(Level/outputpower:MX-440E,K,Z,Gimpedance):TAPE 130 mV/47 kohms9的6ohms,Headphones 8 ohmsSpeakers 8 ohmsMX-440H50 W+50 W (8 ohms,EIAJ[Common]10%,1kHz)Power requirements:MX-440HMX-440U (FTC Rule)AC120V/220V/240V35 Watts per channel,Min.switchable,50/60 HzRMS at 8 ohms,from 40MX-440UHz-20 kHz,with no more thanAC 120V,50 Hz0.2%Total harmonic Distor-MX-440E,Ztion.AC220V.50/60HzTotal harmonicMX-440K.Gdistortion:0.02%1kHzAC240V.50/60HzOutput bandwidth:20 Hz to 50 kHz (less thanPower consumption:MX-440G,E,K,Z0.4%)[Both channels driven,8160 W(system total 180 W)ohms]MX-440HFrequency response:20 Hz'to 50 kHz70 W(system total 90 W)(+1/-3dB)MX-440U100 W(system total 120 W)[Preamplifier]S/N ratio:IHF A curve short circuitedDimensions:330W)×71H)×314(D)mmMX-440H,U,G,E,K,ZWeight:4.0kgPHONO90dBTUNER,AUX,TAPE90 dBInput jacksDesign and specifications are subject to change without(Sensitivity/notice.input impedance):PHONO190mV/27 kohmsTUNER,AUX TAPE150 mV/47 kohmsCD200 mV/27 kohmsMIC1 mV/10 kohms
请登录后查看评论内容