

第1页 / 共12页

第2页 / 共12页

第3页 / 共12页

第4页 / 共12页

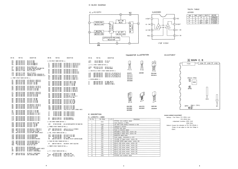
第5页 / 共12页

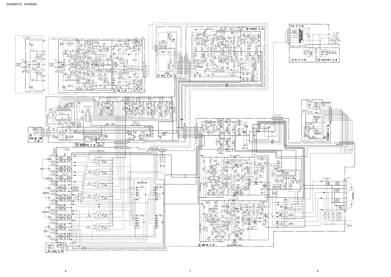
第6页 / 共12页

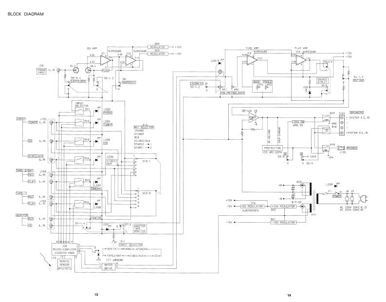
第7页 / 共12页

第8页 / 共12页
试读已结束,还剩4页,您可下载完整版后进行离线阅读
THE END
S/M Code No.0076 DATE OF ISSUE 7/1992-1XA-950SERVICEMANUALSTEREO INTEGRATED AMPLIFIER·TYPE.E,K,ZSPECIFICATIONSGeneralInput jacksPower requirements(Sensitivity/input impedance)A-950E.ZPHONO:MM230V AC,50 Hz2.5 mV/47k ohmsXA-950KMC240VAC.50H20.2 mV/100 ohmsPower consumptionTUNER,CD VIDEO/AUX.300WTAPE 1,TAPE 2/DAT,ADAPTOR:150 mV/47k ohmsPower amplifierPHONO overload level130 mV (MM)Effective output power(1kHz,T.HD0.01%)150W+150W(4ohms.T.H.D.0.9%.Output jacks(Level/output impedance)1 kHz)TAPE 1,TAPE 2/DAT.100W+100WADAPTOR:150 mV/47k ohms(8 ohms,T.H.D.0.9%Headphones:8-32 ohmsSpeakers:4-16 ohmsTotal harmonic distortion(A+B:8-16 ohms)0.005%RIAA deviationt0.5d8(30Hz-15kHz)(20Hz-20k,75W,SUBSONIC filterB ohms)16 Hz 12 dB/OctOutput bandwidth5 Hz-70 kHzMaximum dimensions(less than 0.05%)(w/h/d)430×140×340mm(Both channels dnven,(17×5/×13'inches)8 ohms)Weighti0.5kg23.1bs)Frequency response5 Hz-150 kHz (9 dB)PreamplifierS/N ratioIHF A curve short circuitedPHONO MM95dB(5 mV input)MC75d8Design and specifications are subject to change without notice.(0.5 mV input)The word "BBE"and the "BBE symbol"are trademarks of BBETUNER,CD,VIDEO/AUX,TAPE 1.TAPE 2/DAT.Sound,Ine.ADAPTOR:110 dBUnder license from BBE Sound.Inc.AIWA CO.,LTD.Tokyo JapanPrinted in Japan
请登录后查看评论内容