

第1页 / 共23页

第2页 / 共23页

第3页 / 共23页

第4页 / 共23页

第5页 / 共23页

第6页 / 共23页

第7页 / 共23页

第8页 / 共23页
试读已结束,还剩15页,您可下载完整版后进行离线阅读
THE END
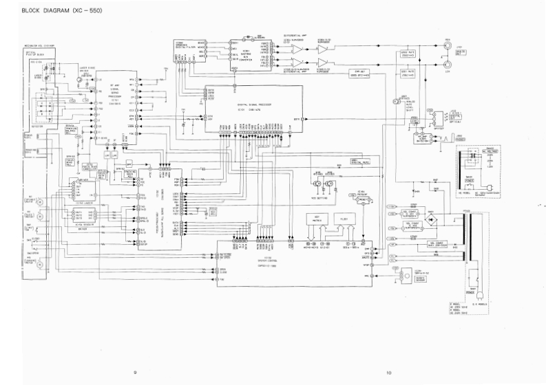
S/M Code No.0147 DATE OF ISSUE 12/1992-TX怨38SERVICEMANUALCOMPACT DISC PLAYERBASIC CD MECHANISM:KSL 2101ABMTYPE.EK.HE (XC -550)K(X-950)SPECIFICATIONSXC-550XC-950DiscCompact discDiscCompact diseScanning methodNon contact optical scannerScanning methodNon contact optical scanner(semiconductor laser application)(semiconductor laser application)LaserSemiconductor laserLaserSemiconductor laser(λ=780nm)(入=780nm)Rotation speedApprox.500rpm-200rpm (CLV)Rotation speedApprox.500rpm-200rpm (CLV)Error correctionCross interleave,Reed SolomonError correctionCross interleave.Reed SolomoncodecodeNo.of channels2 channelsNo.of channels2 channelsD-A conversion1 bitD-A conversion1 bitWow/FlutterUnmeasurableWow/FlutterUnmeasurableSignal to noise ratio97 dB (1 kHz.0 dB)Signal to noise ratio105d8(1kHz.0dB)Harmonic distortion0.0035%(1kHz.0dB)Harmonic distortion0.0025%(1kH2.0dB)Digital filter8 times over sampling 18 bitDigital filter8 times over sampling 20 bitdigital filterdigital filterOutput terminalsANALOG OUT:1.84VPower consumption15WDIGITAL OUT optical linkPower requirementsE:230V AC.50 HzconnectorK:240V AC.50 HzPower consumption10WDimensions(W×H×D)Power requirementsE:230V AC,50 Hz430×115×316mmK:240V AC,50 Hz(17×45/a×12/2in)HE:120/220/240Vweight4.6kg(10.1b)】AC.50/60HzDimensions(W×HXD).Design and specifications are subject to change without430×115×321mmnotice.(17×45%×123/4im)weight4.4kg(9.7Ib).Design and specifications are subject to change withoutnotice.AIWA CO.,LTD.Tokyo JapanPrinted in Japan
请登录后查看评论内容