

第1页 / 共20页

第2页 / 共20页

第3页 / 共20页

第4页 / 共20页

第5页 / 共20页

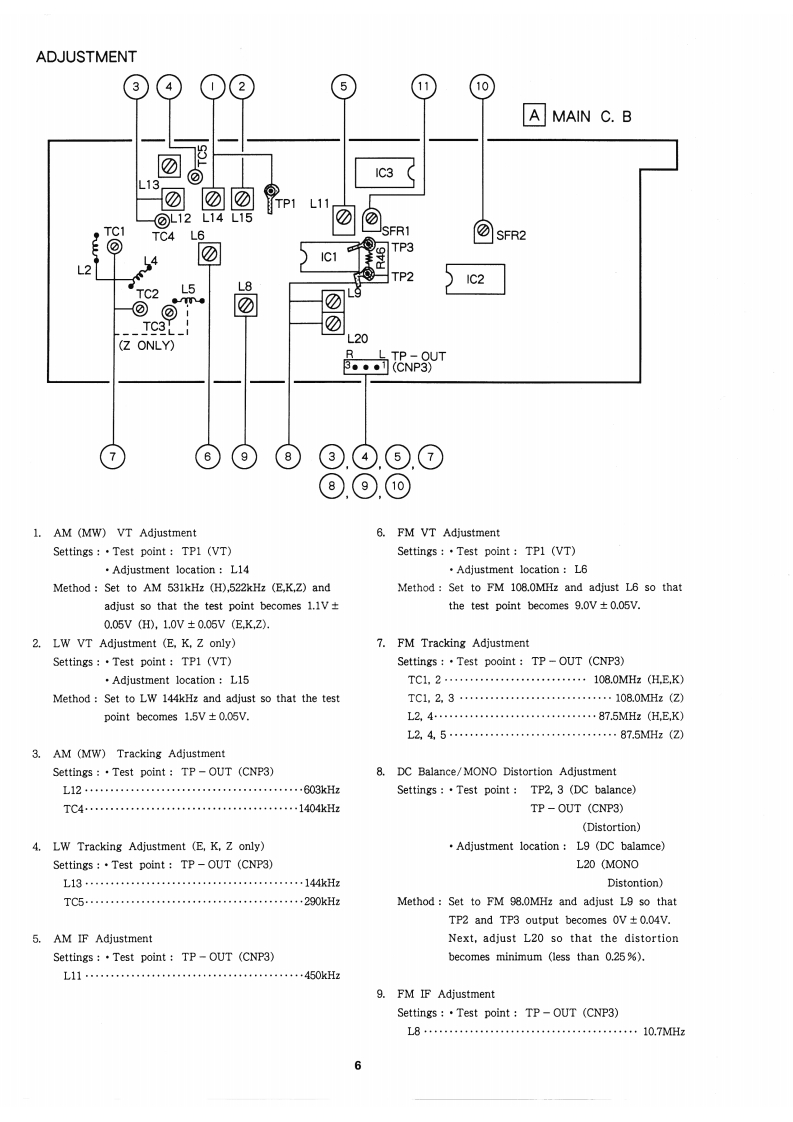
第6页 / 共20页

第7页 / 共20页

第8页 / 共20页
试读已结束,还剩12页,您可下载完整版后进行离线阅读
THE END
S/M Code No.90-100 DATE OF ISSUE 12/1990-AIWAXT-003L52221241/SN-T0-03-SERVIC旺SERV-MANUAL XT-00348388MLMANUALSTEREO TUNER·TYPE.H,E,K,ZSPECIFICATIONSFM sectionAM (MW)sectionFrequency range 87.5-108 MHzFrequency range 522-1.611 kHzUsable sensltivity(E K and Z models)750531-1602k0(IH月(Except Z model)(H model,9 kHz STEP)12.2 dBf,1.1 uV (MONO)530-1,710kHz(DIN)0.9 HV (MONO)(H model.10 kHz STEP)(Z model1.1 uV (MONO)AM (MW)sensltivity Loop antennasN50dBs8 nsitivity(H300 uV/m38.2 dBf (STEREO)Dlstortion0.5%Signal-to-nolse ratlo (IHF)Signal-to-nolse ratioH.E and K models52 dB74 dB (STEREO)(30%,100 dBuV input)80 dB (MONO)40 dBZ model69 dB (STEREO20 dB75 dB (MONO)Total harmonic dlstortion (1 kHz)0.12%MONO)LW section (E,K and Z models only)0.2%(STEREO)Frequency range 144-290 kHzCapture ratlo1.5dBLW sensitivity Loop antennaAltemate channel selectivity1.000 uVim70 dBStereo separationPower sourceEand Z models40 dB at 1 kHzAC 220 V.50 HzFrequency response0Hz-15kHz(+0.5/-2dBAC 240 V,50 HzImage InterferenceH model80 dBAC110-120V1220-240VAM (MW)suppresslon ratlo(switchable),50/G0 Hz50 dBPower consumptionHarmonlc spurlous7W75 dBMaximum dimenslonOutput level700mN47k2)43000×73H×255(D)mmWelght2.5kg.Design and specifications are subject to change withoutnotice.AIWA Co.,LtdTokyo JapanPrinted in Japan
请登录后查看评论内容