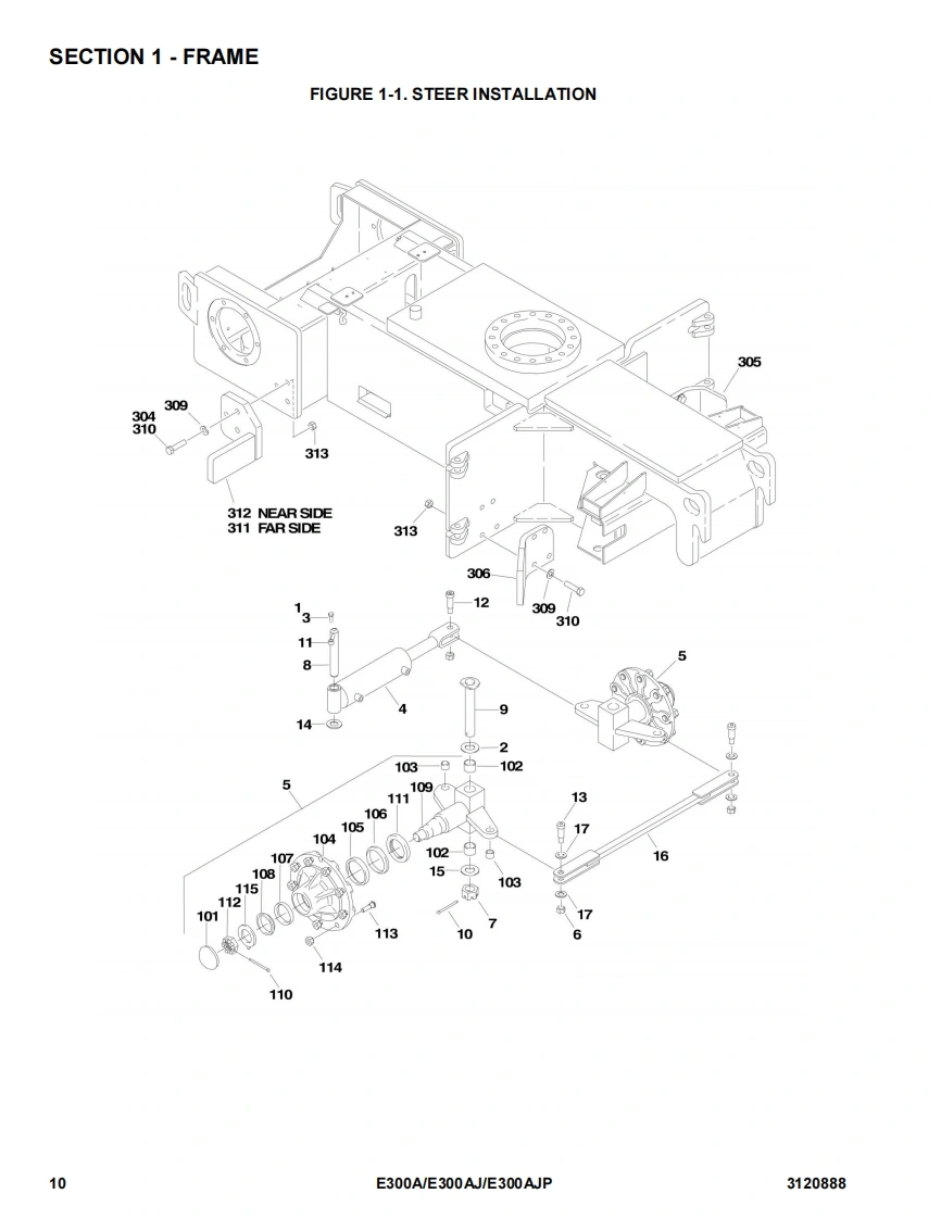
JLG-Modeis-E300A-E300AJ-E300AJP-PRIOR-TO-SN-0300138358零部件手册含液压原理图找手册网13天前发布关注私信14.95MB194页035JLG-Modeis-E300A-E300AJ-E300AJP-PRIOR-TO-SN-0300138358零部件手册含液压原理图此内容为付费资源,请付费后查看¥29¥31黄金会员免费钻石会员免费登录购买付费资源 第1页 / 共194页 第2页 / 共194页 第3页 / 共194页 第4页 / 共194页 第5页 / 共194页 第6页 / 共194页 第7页 / 共194页 第8页 / 共194页 第9页 / 共194页 第10页 / 共194页 试读已结束,还剩184页,您可下载完整版后进行离线阅读 THE ENDJLG/CROWN/Bobcat 文本预览 GIllustrated Parts ManualModelsE300AE300AJE300AJPPRIOR TOSN0300138358P/N3120888March 31,2017(∈GAn Oshkosh Corporatien Cempar 查看更多 收起部分 喜欢就支持一下吧收藏
请登录后查看评论内容