

第1页 / 共20页

第2页 / 共20页

第3页 / 共20页

第4页 / 共20页

第5页 / 共20页

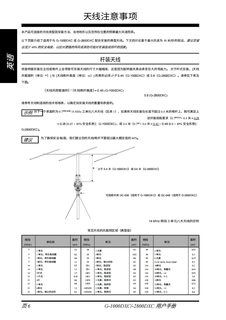
第6页 / 共20页

第7页 / 共20页

第8页 / 共20页

第9页 / 共20页

第10页 / 共20页
试读已结束,还剩10页,您可下载完整版后进行离线阅读
THE END
银YAESUG-1000DXCG-2800DXC天线旋转器及控制器用户手册罨VERTEX STANDARD CO.,LTD日本东京都目黑区中目黑4-8-8,邯编153-8644VERTEX STANDARD美国总部贺美国加利福尼亚州塞里托斯市爱德华兹路17210号,邮编90703由际事业部美国佛罗里达州迈阿密市西北52街8350号201室,编33166YAESU EUROPE B.V.P.O.Box 75525,1118 ZN Schiphol,The NetherlandsYAESU UK LTD英国汉普都裙彻斯特钠尔克洛斯太阳谷商业园12单元,却编:S023 0LBYAESU GERMANY GmbHAm Krorberger Hang 2,D-65824 Schwalbach,GermanyVERTEX STANDARD HK LTD香港九龙观塘海滨道138-141号海景中心20楼5室大城
请登录后查看评论内容