

第1页 / 共17页

第2页 / 共17页

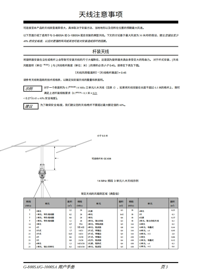
第3页 / 共17页

第4页 / 共17页

第5页 / 共17页

第6页 / 共17页

第7页 / 共17页

第8页 / 共17页

第9页 / 共17页

第10页 / 共17页
试读已结束,还剩7页,您可下载完整版后进行离线阅读
THE END
YAESUG-800SA G-1000SA天线旋转器及控制器用户手册NESE120qVERTEX STANDARD CO.,LTD.日本东京都目黑区中目黑4-8-8,邹编153-8644VERTEX STANDARD关国总部美国加利福尼亚州赛普里斯市沃克街10900号,郁编90630YAESU EUROPE B.V.P.O.Box 75525,1118 ZN Schiphol,The NetherlandsYAESU UK LTD.000英国汉普郡温彻斯特温纳你克洛斯太阳谷商业园12单元,部编:S0230LB00⊙VERTEX STANDARD HK LTD香港九龙观塘海滨道139141号海景中心20楼5室
请登录后查看评论内容