

第1页 / 共179页

第2页 / 共179页

第3页 / 共179页

第4页 / 共179页

第5页 / 共179页

第6页 / 共179页

第7页 / 共179页

第8页 / 共179页

第9页 / 共179页

第10页 / 共179页
试读已结束,还剩169页,您可下载完整版后进行离线阅读
THE END
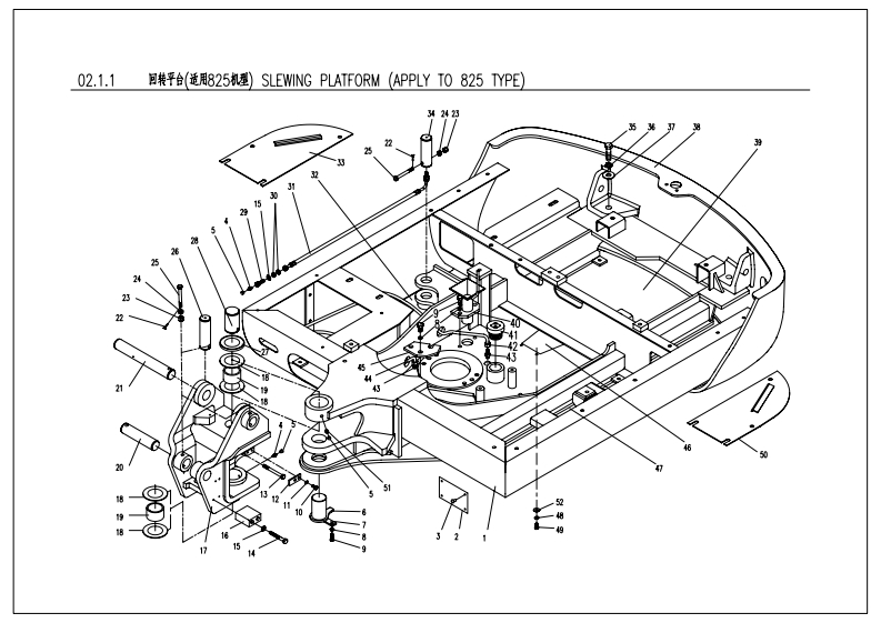
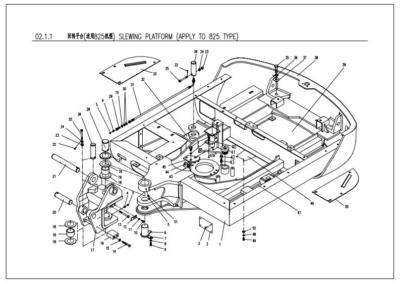
825目录(825DE001.1.1底盘总成6适用825,825机型)CHASSIS ASSEMBLY APPLY TO 825,825A TYPE02.1.1回转平台(适用82机型)SLEWING PLATFORM (APPLY TO 825 TYPE02.1.2回转平台(适用825机型)SLEWING PLATFORM (APPLY TO 825A TYPE03.1.1推土装置(适用825,825凯型)DOZER EOUIPMENT (APPLY TO 825.825A TYPE)04.1.1工作装置1(适用825,825机型)WORKING EQUIPMENT 1 (APPLY TO 825,825A TYPE)04.2.1工作装置2(适用825,825机型)WORKING EQUIPMENT 2 (APPLY TO 825,825A TYPE)04.3.1工作装置3(适用825,825机型)WORKING EQUIPMENT 3 (APPLY TO 825,825A TYPE)04.4.1工作装置4(适用825,825机型)WORKING EQUIPMENT 4 (APPLY TO 825,825A TYPE)04.5.1工作装置5(适用825,825机型)WORKING EQUIPMENT 5 (APPLY TO 825,825A TYPE)05.1.1平台部分的液压系统1(适用825,825机型)HYDRAULIC SYSTEM FOR PLATFORM1(APPLY TO825,825 A TYPE)05.2.1平台部分的液压系统2(适用825,825机型)HYDRAULIC SYSTEM FOR PLATFORM2(APPLY TO825,825 A TYPE)05.3.1平台部分的液压系统3(适用825,825机型)HYDRAULIC SYSTEM FOR PLATFORM3(APPLY TO825,825 A TYPE)05.4.1平台部分的液压系统4(适用825,825机型)HYDRAULIC SYSTEM FOR PLATFORM4(APPLY TO 825,825A TYPE)05.5.1平台部分的液压系统5(适用825,825机型)HYDRAULIC SYSTEM FOR PLATFORM5(APPLY TO825,825 A TYPE)05.6.1平台部分的液压系统6(适用825,825机型)HYDRAULIC SYSTEM FOR PLATFORM6(APPLY TO 825,825A TYPE)05.7.1平台部分的液压系统7(适用825,825机型)HYDRAULIC SYSTEM FOR PLATFORM7(APPLY TO 825,825A TYPE)05.8.1平台部分的液压系统8(适用825,825机型)HYDRAULIC SYSTEM FOR PLATFORM8(APPLY TO825,825 A TYPE)05.9.1平台部分的液压系统9(适用825,825机型)HYDRAULIC SYSTEM FOR PLATFORM9(APPLY TO825,825 A TYPE)05.10.1平台部分的液压系统10(适用825,825机型)HYDRAULIC SYSTEM FOR PLATFORM10(APPLY TO825,825 A TYPE05.11.1平台部分的液压系统11(适用825,825机型)HYDRAULIC SYSTEM FOR PLATFORM1I(APPLY TO825.825 A TYPE)05.12.1平台部分的液压系统12(适用825,825机型)HYDRAULIC SYSTEM FOR PLATFORM12(APPLY TO825,825 A TYPE)75.1.1底盘部分的液压系统1(适用825,825机型)HYDRAULIC SYSTEM FOR CHASSIS1(APPLY TO825,825 A TYPE)75.2.1底盘部分的液压系统2(适用825,825机型)HYDRAULIC SYSTEM FOR CHASSIS1(APPLY TO825,825 A TYPE)85.1.1先导部分的液压系统1(适用825,825机型)HYDRAULIC SYSTEM FOR PILOT PART1(APPLY TO825,825 A TYPE)85.2.1先导部分的液压系统2(适用825,825机型)HYDRAULIC SYSTEM FOR PILOT PART2(APPLY TO825,825 A TYPE)85.3.1先导部分的液压系统3(适用825,825机型)HYDRAULIC SYSTEM FOR PILOT PART3(APPLY TO825,825 A TYPE)
请登录后查看评论内容