

第1页 / 共18页

第2页 / 共18页

第3页 / 共18页

第4页 / 共18页

第5页 / 共18页

第6页 / 共18页

第7页 / 共18页

第8页 / 共18页

第9页 / 共18页

第10页 / 共18页
试读已结束,还剩8页,您可下载完整版后进行离线阅读
THE END
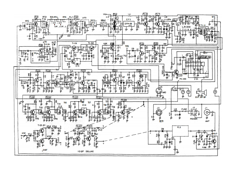
I引言Inoue IC-2F2米波段FM收发机及其6米波段的对应机型IC-6F,是目前市面上面向VHF-HP业余无线电爱好者推出的最成熟的产品。在工程、设计、制造或性能方面,我们未做任何妥协。该系列设备完全采用固态技术,代表了最先进的技术水平。此外,还融入了许多旨在提升便利性和卓越性能的新创新。我们建议ON您花些时间仔细阅读本手册的内容,并熟悉这款非凡的收发机。您可以确信,未来将享受无数小时无故障的操作乐趣,并因拥有最优秀的产品而倍感自豪。Ⅱ技术规格,频率覆盖范围:IC-2f,,144至148M;1C-6,,50至54M2注:建议任意两个接收频率或任意两个发射频率之间的最大频率间隔为1MH。共提供六个频道。尺寸:高58毫米×宽156毫米×深216毫米。2千克重量:前面板控制按钮和接口:频道选择开关、电源开关、音量控制、静噪控制、麦克风接口。后置接口:天线插孔、配件插座、外置扬声器插孔、保险丝盒、电源天线输入:插座。电源要求:电流范围:50 to 52 ohms13.5VDC+1.5VDC,负极接地;接收平均电流-125m4;发射电流-2.5ARAC',Nt技术规格:类型:双转换灵敏度:优于G.l.XIV,静噪度20dB"inst E'10.3dB455 XBz散响应:-60dB静噪值:可调-5至-15dB+15kHz6dB点出功率1瓦输出阻抗:8欧姆频率控制:品体振荡器(45MHz)发射器规格说明:输入功率:20瓦最大输出功率:10瓦最低频率控制品体(18MHz)最大频率偏差:可调至15千赫音频输入:10K注:按照惯例,所列规格仅为可预期的最低性能指标。用户实际获得的性能往往更优,例如,同一台设备可能达到0.1yV的接收灵敏度或14瓦的输出功率。uc-52
请登录后查看评论内容