ICOM艾可慕IC-505_user操作说明书手册_I6AAD20260331中文版

ICOM艾可慕IC-505_user操作说明书手册_I6AAD20260331中文版-找手册网
ICOM艾可慕IC-505_user操作说明书手册_I6AAD20260331中文版
此内容为付费资源,请付费后查看
1921
付费资源

第1页 / 共25页

第2页 / 共25页

第3页 / 共25页

第4页 / 共25页

第5页 / 共25页

第6页 / 共25页

第7页 / 共25页

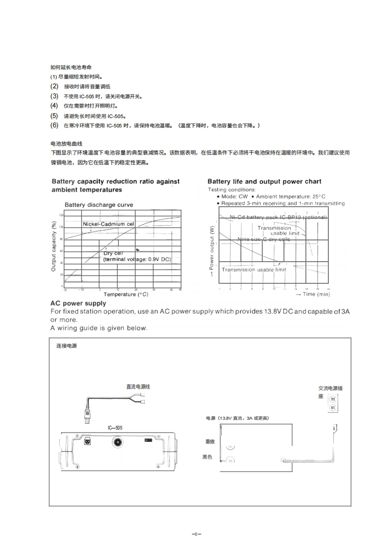
第8页 / 共25页

第9页 / 共25页

第10页 / 共25页
试读已结束,还剩15页,您可下载完整版后进行离线阅读
THE END
IC-50550 MHz SSB CW(FM)TRANSCEIVER操作MANUAL0.5050Downloaded byRadioAmateur.EUGEOM
喜欢就支持一下吧
评论 抢沙发

请登录后发表评论

    请登录后查看评论内容