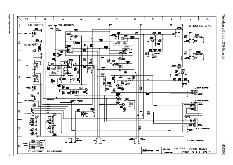
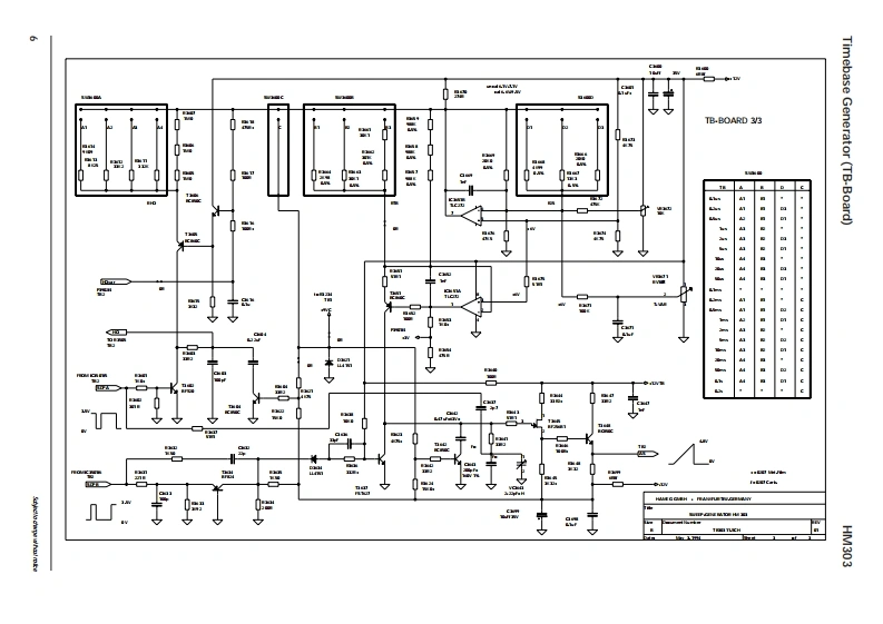
惠美HAMEG-HM303示波器维修图纸手册电器原理图找手册网19小时前发布关注私信5.25MB43页037惠美HAMEG-HM303示波器维修图纸手册电器原理图此内容为付费资源,请付费后查看¥19¥21黄金会员免费钻石会员免费登录购买付费资源 第1页 / 共43页 第2页 / 共43页 第3页 / 共43页 第4页 / 共43页 第5页 / 共43页 第6页 / 共43页 第7页 / 共43页 第8页 / 共43页 第9页 / 共43页 第10页 / 共43页 试读已结束,还剩33页,您可下载完整版后进行离线阅读 THE ENDAnritsu/Hameg 文本预览 HAMEGENGLISHInstrumentsOscilloscopeHM303-34S.-0303-03F0019FP1997SERVICE-MANUALHM303-3 查看更多 收起部分 喜欢就支持一下吧收藏
请登录后查看评论内容