KENWOOD建武KenwoodTK-270-370操作说明书手册-中文版

KENWOOD建武KenwoodTK-270-370操作说明书手册-中文版-找手册网
KENWOOD建武KenwoodTK-270-370操作说明书手册-中文版
此内容为付费资源,请付费后查看
1921
付费资源

第1页 / 共20页

第2页 / 共20页

第3页 / 共20页

第4页 / 共20页

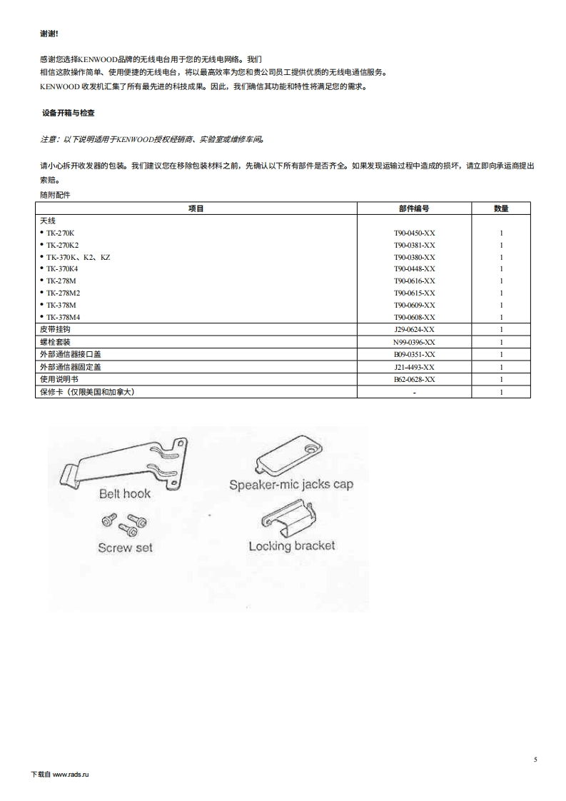
第5页 / 共20页

第6页 / 共20页

第7页 / 共20页

第8页 / 共20页

第9页 / 共20页

第10页 / 共20页
试读已结束,还剩10页,您可下载完整版后进行离线阅读
THE END
KENWOODVHF FM收发机使用说明书UHF FM收发机TK-278/TK-378TK-270/TK-370下载自ww.rads.ru
喜欢就支持一下吧
评论 抢沙发

请登录后发表评论

    请登录后查看评论内容