KENWOOD建武kenwood_sw200_使用说明书手册-中文版

KENWOOD建武kenwood_sw200_使用说明书手册-中文版-找手册网
KENWOOD建武kenwood_sw200_使用说明书手册-中文版
此内容为付费资源,请付费后查看
1921
付费资源

第1页 / 共8页

第2页 / 共8页

第3页 / 共8页

第4页 / 共8页

第5页 / 共8页

第6页 / 共8页

第7页 / 共8页

第8页 / 共8页
已完成全部阅读,共8
THE END
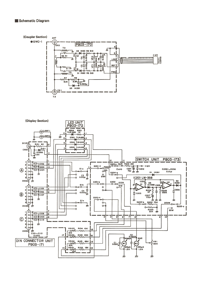
KEN!/OOD组件及其功能M八77-2OO发射(X)连接器功率驻波比表UHF连接器通过SOA同轴电缆接收发射机输出。ANT连接器3用于天线或等效负载的UHF连接器。耦合器支架使用此支架将耦合器用螺丝固定。耦合器可安装·特点在显示单元背面。SW-200穿通式驻波比功率表,配合方向耦合器使用,可在4检测器电缆1.8一450MH也频率范围内使用。·作为一款直通式表,它可连接在发射机与天线之间,从而在运行5连接至显示单元后面板上的耦合器输入端子。铭牌过程中测量输出功率。此处标明了耦合器的额定值。请勿尝试在超过规定额定值的功率。配套探测器中采用环形方向耦合器(SWC-1)或带状线方向耦合器水平下使用该耦合器。(SWC2)。其灵敏度高,输出特性平坦,且无需任何校准或计算即可进行功率测量。在1.8MHz高频段,仅需3W功率即可测量驻波比(SWR)。(1)Detector53oKENWOODSWC-1FREQUENCY COVERAGE 18-15OMHzMAX.POWER200WFM/AM]300wCWI4o9052TxANT◆。耦合器和显示单元可以分离,因此显示单元可以安装在任何方便的地方(图示为SWC一)。由于最多可将3个耦合器连接到显示单元,因此一个显示单元可用于观察多个发射机或天线系统。。显示单元采用双表设计,可问时测量前向功率和反射功率,从而快速、轻松地对发射机和天线进行调谐。●SW200SWR/功率表可测量单边带PEP(峰包络功率)。PDF restoration新ught to you by wwwripi在em
喜欢就支持一下吧
评论 抢沙发

请登录后发表评论

    请登录后查看评论内容