

第1页 / 共70页

第2页 / 共70页

第3页 / 共70页

第4页 / 共70页

第5页 / 共70页

第6页 / 共70页

第7页 / 共70页

第8页 / 共70页

第9页 / 共70页

第10页 / 共70页
试读已结束,还剩60页,您可下载完整版后进行离线阅读
THE END
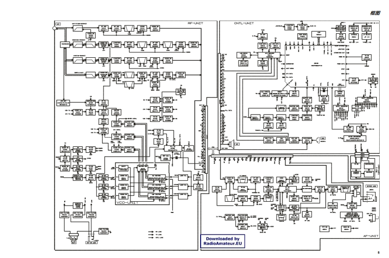
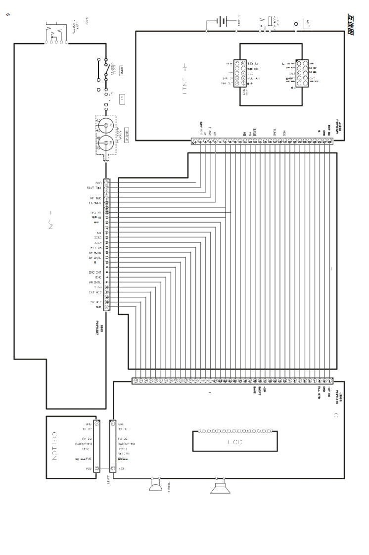
双频VERTEX STANDARD CO LTD.日本东京和日黑区中日黑4-8,即编53出4重型潜水收发器VERTEX STANDARD国聪制加视g亚州慎普里斯市沃克有000号,部编0830VX-6RYAESU EUROPE B.V.P.O.Box 75525.1118 ZN Schighd.The NetelandsYAESU UK LTD.技术补充国叹黑标害特钠尔克湾新太阳存商圆12单无,解编0必位日VERTEX STANDARD HK LTD.九龙现塘海离通3丝141号海新中心20楼5室2005 VERTEX STANDARD CO..LTD筒介本手册提供了维修VX-6R双频段重型潜水收发机所需的技术信息。维修本设备需要具备处理表面贴装芯片元件的专业技能。未经授权的人员擅自维修本设备,可能会导致无法通过保修的永久性损坏,并且在某些国家可能属于违法行为。@的本收发器中每块双面电路板均提供两份PCB布局图。电路板的每一面均以其YAESU安装的元件类型为主进行命名(“A面或B面)。在大多数情况下,一侧仅安装芯片元件,另一侧则混合安装芯片元件和引线元件(微调电位器、线圈、电解电容器、集成电路等),或仅安装引线元件。尽管我们相信本手册中的信息是正确的,但VERTEX STANDARD对因可能存在的印刷或其他错误而造成的损害不承担任何责任。如果您能指出技术信息中的任何不一致之处,我们将不胜感激。36】Downloaded byRadioAmateur.EU目录规格分解图及杂项零件框图,互连图6电路说明对齐….11电路板单元(原理图、布局与元器件)CNT单元….17AF单元.…27射频单元.37VCo单元.531
请登录后查看评论内容