KENWOOD建武TS-140S_TS-680S_user操作说明书手册-中文版

KENWOOD建武TS-140S_TS-680S_user操作说明书手册-中文版-找手册网
KENWOOD建武TS-140S_TS-680S_user操作说明书手册-中文版
此内容为付费资源,请付费后查看
1921
付费资源

第1页 / 共44页

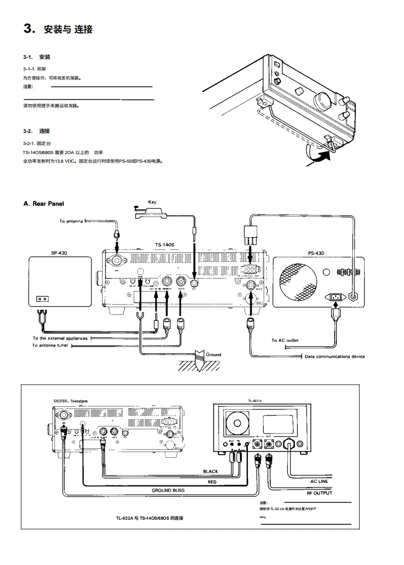
第2页 / 共44页

第3页 / 共44页

第4页 / 共44页

第5页 / 共44页

第6页 / 共44页

第7页 / 共44页

第8页 / 共44页

第9页 / 共44页

第10页 / 共44页
试读已结束,还剩34页,您可下载完整版后进行离线阅读
THE END
高频收发机TS-140S多频段收发机TS-680SKENWOOD用户手册KENWOOD CORPORATION由◆RadioAmateur.EU入C日*印捌B5081990KM,TWHm891211109B765432181211载1098
喜欢就支持一下吧
评论 抢沙发

请登录后发表评论

    请登录后查看评论内容