

第1页 / 共54页

第2页 / 共54页

第3页 / 共54页

第4页 / 共54页

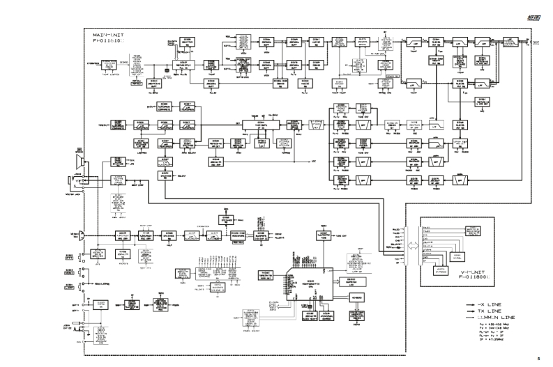
第5页 / 共54页

第6页 / 共54页

第7页 / 共54页

第8页 / 共54页

第9页 / 共54页

第10页 / 共54页
试读已结束,还剩44页,您可下载完整版后进行离线阅读
THE END
YAESUVERTEX STANDARDCO.,LTD.日林京日黑4,四-VERTEX STANDARD奥国士利呢正辆借新有天说衡0四0四号,邮0四FT-60R国标零女超YAESU EUROPE B.V.P.段Bax7码Ia2 N Scphol The Nherandh技术补充说明YAESU UK LTD.舞国汉赠都到科遇纳惊克新我路两2元,邮罐:功四心VERTEX STANDARD HK LTD.C2005 VERTEX STANDARD CO.,LTD.EHO17M90B看港大支现流湖黄随41号海量中心过横5置简介本手册提供了维修FTB0 R VHF/UHF双频段收发机所需的技术信息。维修本设备需要具备处理表面贴装芯片元件的专业技能。未经授权的人员尝试维修本设备可能会导致永久性损坏,此类损坏不在保修范围内,且在某些国家可能属于违法行为。本收发器中每块双面电路板均提供两张PCB布局图。电路板的每一面均以其安YAESU装的大部分元件的类型来命名A面或B面)。在大多数情况下,一侧仅含芯片元件(表面贴装器件),另一侧则混合了芯片元件和引线元件(微调器、线圈、电解电容器、集成电路等),或仅含引线元件。尽管我们相信本手册中的信息准确无误,但VERTEX STANDARD对因可能存在的排版或其他错误而造成的任何损失概不负责。如您发现技术信息中存在任何不FM TRANSCEIVER FT-6O一致之处,数请告知,我们将不胜感激。常是需9目录SETBAND D制而+@可@规格.2分解图及家项零件框图电路说明.对济电路单元(原理图、布局与元器件)主单元13VR单元:1
请登录后查看评论内容