ICOM艾可慕ID-RP4000V_user操作说明书手册20260331中文版

ICOM艾可慕ID-RP4000V_user操作说明书手册20260331中文版-找手册网
ICOM艾可慕ID-RP4000V_user操作说明书手册20260331中文版
此内容为付费资源,请付费后查看
1921
付费资源

第1页 / 共39页

第2页 / 共39页

第3页 / 共39页

第4页 / 共39页

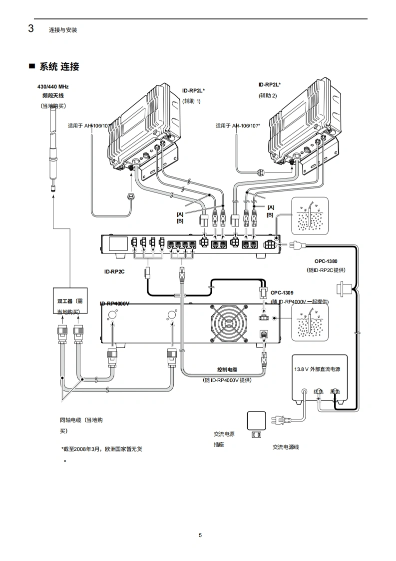
第5页 / 共39页

第6页 / 共39页

第7页 / 共39页

第8页 / 共39页

第9页 / 共39页

第10页 / 共39页
试读已结束,还剩29页,您可下载完整版后进行离线阅读
THE END
COMUHF数字语音中继器ID-RP4000V使用说明书本设备荷合FCC规则第15部分的规定。其运行须遵守以下两个条件:(1)本设备不得造成有害干扰;P)本设备必须接受任何接收到的干扰,包括可能导数意外运行的干扰。
喜欢就支持一下吧
评论 抢沙发

请登录后发表评论

    请登录后查看评论内容