

第1页 / 共12页

第2页 / 共12页

第3页 / 共12页

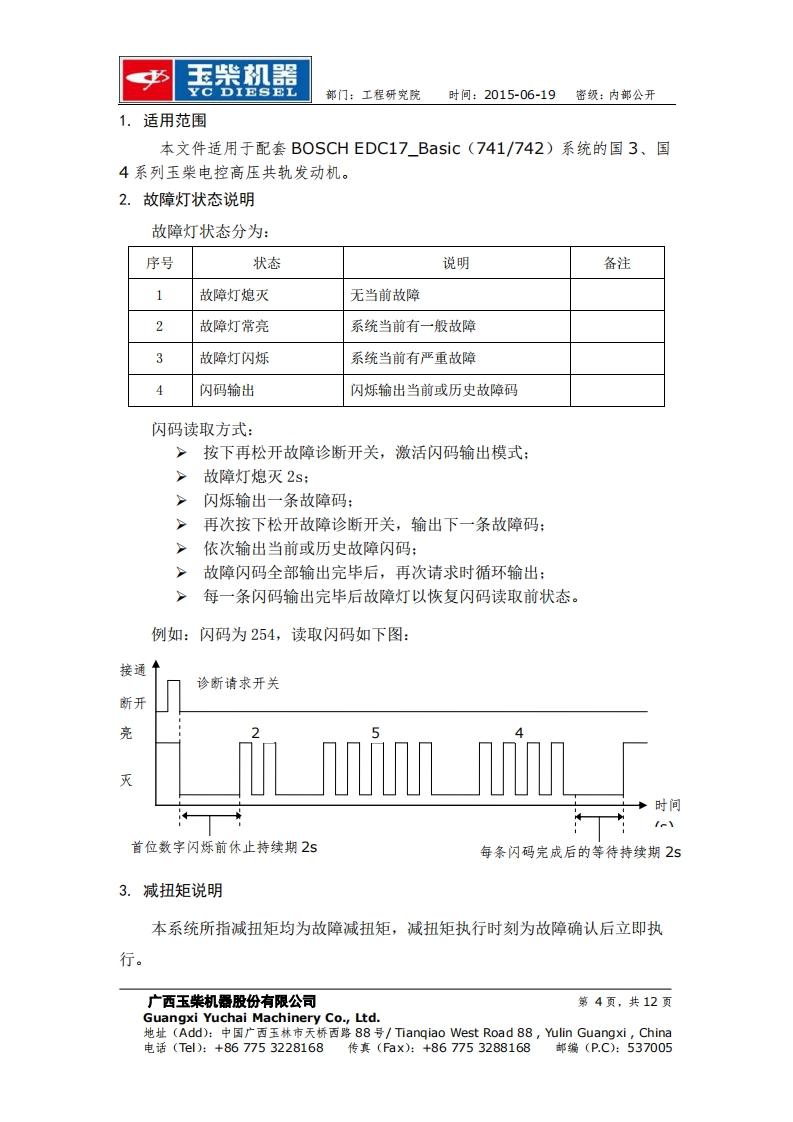
第4页 / 共12页

第5页 / 共12页

第6页 / 共12页

第7页 / 共12页

第8页 / 共12页

第9页 / 共12页

第10页 / 共12页
试读已结束,还剩2页,您可下载完整版后进行离线阅读
THE END
玉柴机器YC DIESEL部门:工程研究院时间:2015-06-19密级:内部公开玉柴BOSCH系统EDC17 Basic版故障列码表工程研究院电控系统研发部2015-06-19更改记录广西玉柴机器股份有限公司第1页,共12页Guangxi Yuchai Machinery Co.,Ltd.地址(Add):中国广西玉林市天桥西路88号/Tiangiao West Road88,ulin Guangxi,China电话(Tl):+867753228168传真(Fax):+867753288168邮编(P.C):537005
请登录后查看评论内容