

第1页 / 共440页

第2页 / 共440页

第3页 / 共440页

第4页 / 共440页

第5页 / 共440页

第6页 / 共440页

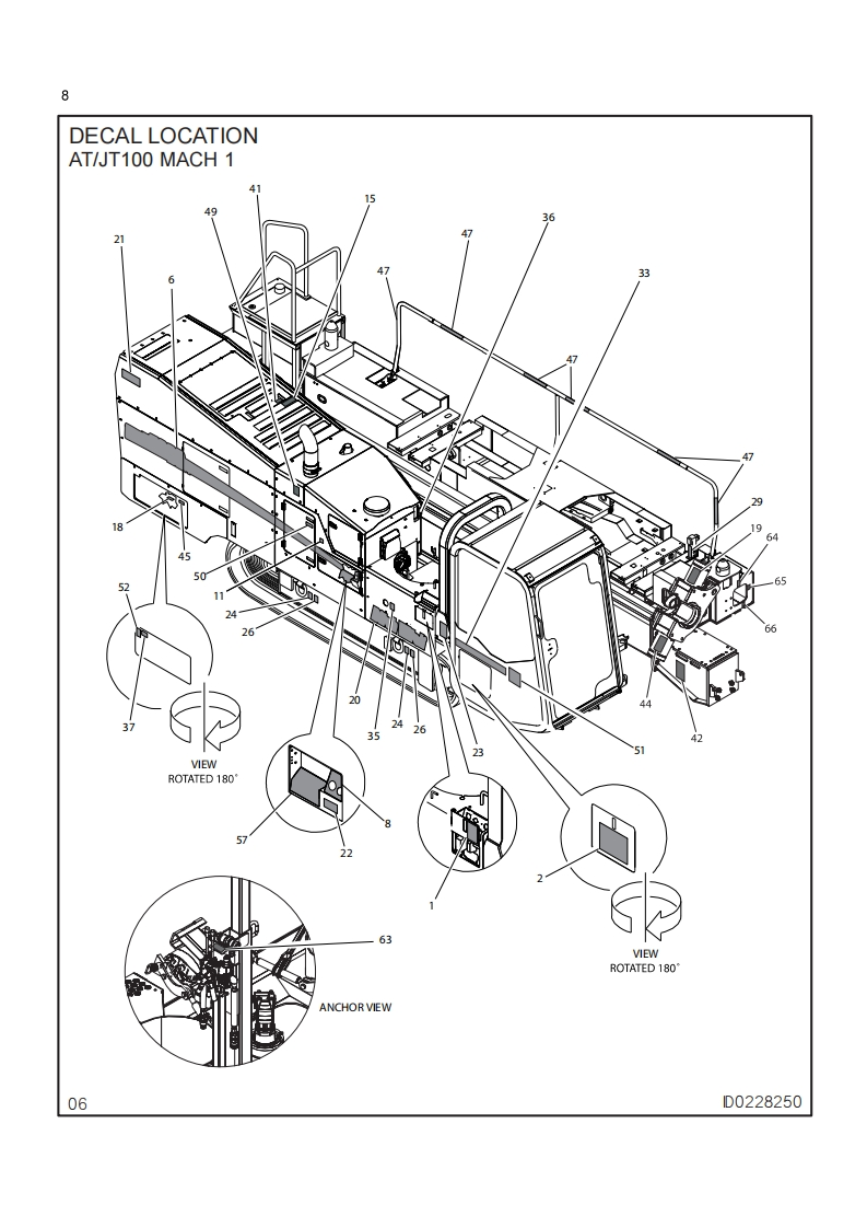
第7页 / 共440页

第8页 / 共440页

第9页 / 共440页

第10页 / 共440页
试读已结束,还剩430页,您可下载完整版后进行离线阅读
THE END
1Ditch WitchJT100/JT100All TerrainISSUE NO.04PL-05/11For Replacement Copy Order P/N 053-1232This manual contains information concerning the following modelsJT100,JT100 All TerrainThis product is covered by one or more of the following patents:USB14,858,704:4,953.638:5.148.880:5,242,026:5,341.887:5.490.569:5,684,466:5,713,423,5,794,719:5,880,680;5,941,322:6,085,852:6,109,371;6,179,065;6,216,803:6,250,403:6,250,404:6,290,606;6,311,790:6,411,094:6,543,551;6,550,547;6,672,4096,739,413:6,776,246:6,808,210;6,827,158:RE37,450;RE37,923;RE37.975;RE38,418AU689,533:706.544:718,034,755,862CA2,156,398FR674.093DE69417019:69529634:29701406:EP0683845:0674093;0817901;0846841GB2,209,239;2,312,006;EP674,093:EP846,841JP3.458,247Other U.S.and foreign patents pendingCopyright 2009,2010,2011 by The Charles Machine Works,Inc.Ditch Witch,CMW,AutoCrowd,Jet Trac,Roto Witch,Subsite Fluid Miser,PowerPipe,Super Witch,Pierce Arrow,Zahn,The Underground,and The Underground Authority Worldwide areregistered trademarks of The Charles Machine Works,Inc.ID0227413
请登录后查看评论内容