DitchWitch-JT3020Mach1AllTerrainTier3水平定向钻零部件目录图册

DitchWitch-JT3020Mach1AllTerrainTier3水平定向钻零部件目录图册-找手册网
DitchWitch-JT3020Mach1AllTerrainTier3水平定向钻零部件目录图册
此内容为付费资源,请付费后查看
2931
付费资源

第1页 / 共378页

第2页 / 共378页

第3页 / 共378页

第4页 / 共378页

第5页 / 共378页

第6页 / 共378页

第7页 / 共378页

第8页 / 共378页

第9页 / 共378页

第10页 / 共378页
试读已结束,还剩368页,您可下载完整版后进行离线阅读
THE END
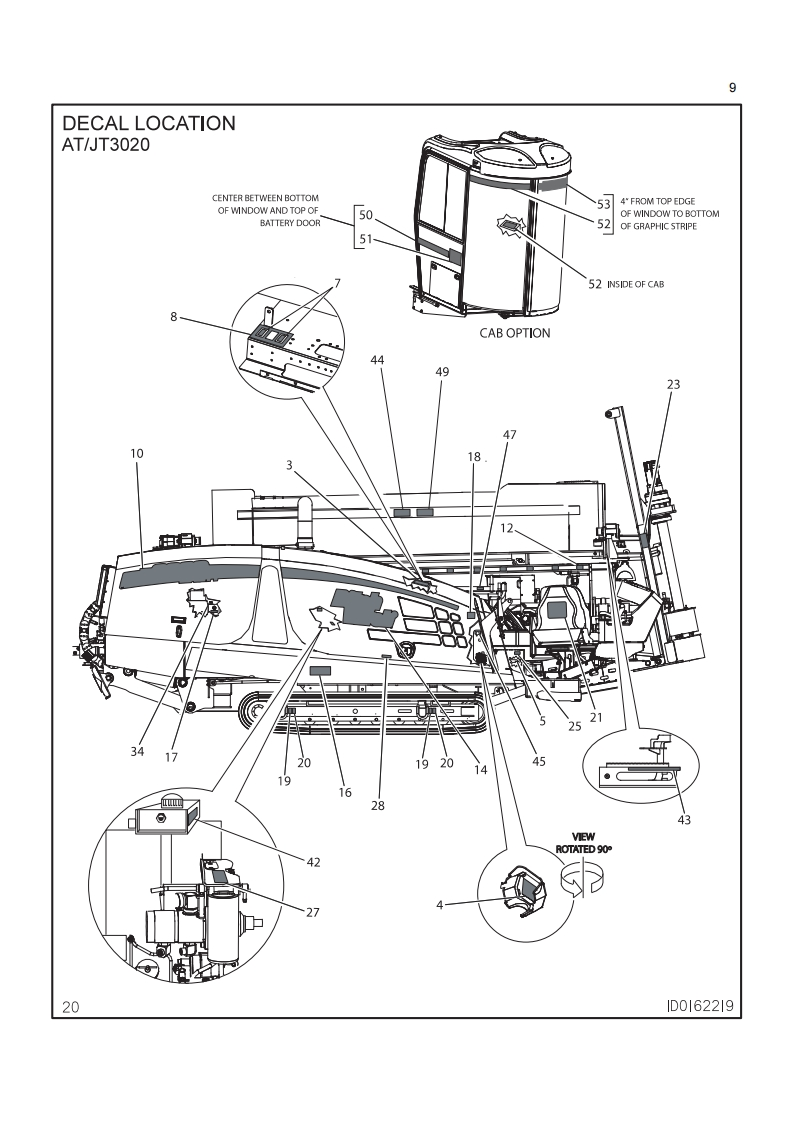
1Ditch WitchJT3020 Mach 1All Terrain Tier 31 SSUE N0.10PL-06/11For Replacement Copy Order P/N 053-1149This product is covered by one or more of the following patents:US4,953,638;5,148,880;5,242,026;5,341,887;5,490,569;5,684,466;5,713,423,5,740,703;5,758,553:5,794,719:5,880,680:5,941,322:6,085,852C1:6,109,371:6,179,065:6,216.803:6,250,403;6,250,404;6,290,606:6,311,790;6,411,094;6,543,551;6,550,547;6,672,4096,739,413;6,761,231;6,776,246;6,808,210;6,827,158;6,848,506;6,871,712;6,896,0777,000,710:7011,166;7.013.990:7,018,164;7,025,152:7,038,454:7,111.693:7,150,331:RE37,450:RE37,923:RE37,975;RE38,418AU689,533:706,544:718,034,755,862CA2.156.398:2.217.899FR674.093DE69417019;69529634;69728716:EP0927892:1466068GB2,312,006;2,418,553;EP674,093;EP817,901;EP846,841;EP927,892JP3.458,247Other U.S.and foreign patents pendingThis manual contains information concerning the following models:JT3020 Mach 1 All Terrain Tier 3 Directional Drilling SystemCopyright 2007,2008,2009,2011 by The Charles Machine Works,Inc.Ditch Witch.CMW.AutoCrowd,Jet Trac.Roto Witch.Subsite,Fluid Miser,Power Pipe.Super Witch,Pierce Arrow,Zahn,The Underground,and The Underground Authority Worldwide areregistered trademarks of The Charles Machine Works,Inc.1D0184852
喜欢就支持一下吧
评论 抢沙发

请登录后发表评论

    请登录后查看评论内容