鼎力JCPT1712DCL_1912DCL-SM012220119_Rev1.2-Parts_Manual零部件手册含液压原理图

鼎力JCPT1712DCL_1912DCL-SM012220119_Rev1.2-Parts_Manual零部件手册含液压原理图-找手册网
鼎力JCPT1712DCL_1912DCL-SM012220119_Rev1.2-Parts_Manual零部件手册含液压原理图
此内容为付费资源,请付费后查看
1921
付费资源

第1页 / 共114页

第2页 / 共114页

第3页 / 共114页

第4页 / 共114页

第5页 / 共114页

第6页 / 共114页

第7页 / 共114页

第8页 / 共114页

第9页 / 共114页

第10页 / 共114页
试读已结束,还剩104页,您可下载完整版后进行离线阅读
THE END
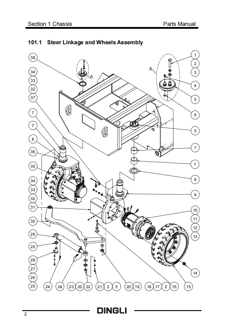
DINGLExceed.New Heig人tParts ManualJCPT1912DCLJCPT1712DCLFromSNJPD1712023D0184JPD1912223B0108-JPD1912223F0237Part Number:SM012220119Version Number:Rev1.2August 2023 PrintingDINGLI
喜欢就支持一下吧
评论 抢沙发

请登录后发表评论

    请登录后查看评论内容