鼎力JCPT2223RTB-SM011920113_Rev1.1-Parts_Manual零部件手册含液压原理图

鼎力JCPT2223RTB-SM011920113_Rev1.1-Parts_Manual零部件手册含液压原理图-找手册网
鼎力JCPT2223RTB-SM011920113_Rev1.1-Parts_Manual零部件手册含液压原理图
此内容为付费资源,请付费后查看
1921
付费资源

第1页 / 共180页

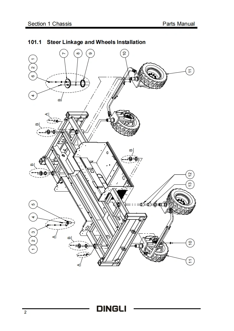
第2页 / 共180页

第3页 / 共180页

第4页 / 共180页

第5页 / 共180页

第6页 / 共180页

第7页 / 共180页

第8页 / 共180页

第9页 / 共180页

第10页 / 共180页
试读已结束,还剩170页,您可下载完整版后进行离线阅读
THE END
DINGLIExceed.New HeightParts ManualJCPT2223RTBFromSNJPR2223123B0310-JPR2223123E0176C€Part Number:SM011920113Version Number:Rev1.1August 2023 PrintingDINGLI
喜欢就支持一下吧
评论 抢沙发

请登录后发表评论

    请登录后查看评论内容