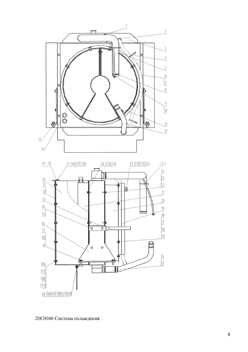
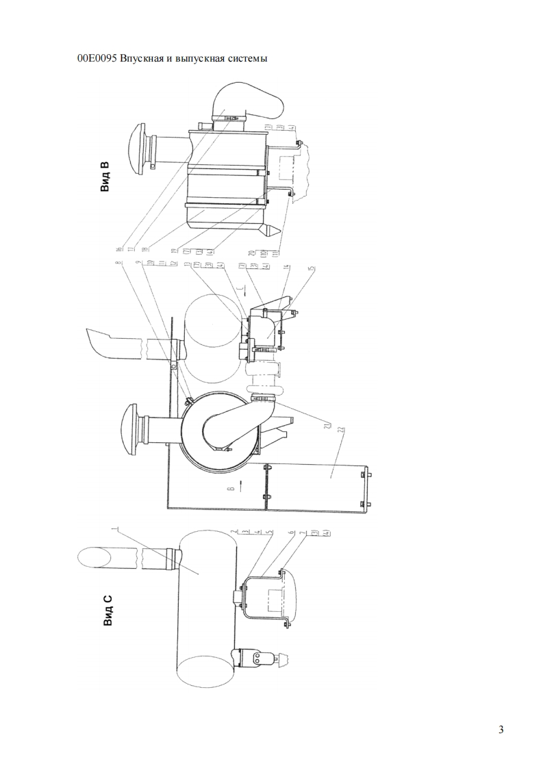
柳工Liugong_CLG856零部件目录手册图册找手册网5天前发布关注私信5.78MB96页029柳工Liugong_CLG856零部件目录手册图册此内容为付费资源,请付费后查看¥29¥31黄金会员免费钻石会员免费登录购买付费资源 第1页 / 共96页 第2页 / 共96页 第3页 / 共96页 第4页 / 共96页 第5页 / 共96页 第6页 / 共96页 第7页 / 共96页 第8页 / 共96页 第9页 / 共96页 第10页 / 共96页 试读已结束,还剩86页,您可下载完整版后进行离线阅读 THE END柳工/临工/龙工/台励福/常林/成工 文本预览 BanacHble qacTHpoHTaJIbHbIX Horpy34HKOBLiuGong CLG-856 查看更多 收起部分 喜欢就支持一下吧收藏
请登录后查看评论内容