古野FURUNO-ch37-安装说明手册-20260409中文版

古野FURUNO-ch37-安装说明手册-20260409中文版-找手册网
古野FURUNO-ch37-安装说明手册-20260409中文版
此内容为付费资源,请付费后查看
1921
付费资源

第1页 / 共89页

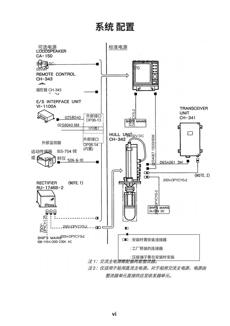
第2页 / 共89页

第3页 / 共89页

第4页 / 共89页

第5页 / 共89页

第6页 / 共89页

第7页 / 共89页

第8页 / 共89页

第9页 / 共89页

第10页 / 共89页
试读已结束,还剩79页,您可下载完整版后进行离线阅读
THE END
FURUNINSTALLATION MANUAL彩色扇区扫描声呐型号CH-37FURUNO ELECTRIC CO.,LTD.NISHINOMIYA,JAPAN
喜欢就支持一下吧
评论 抢沙发

请登录后发表评论

    请登录后查看评论内容