STARDARD-HORION-PS2000_维修手册含电器原理图-20260408-中文

STARDARD-HORION-PS2000_维修手册含电器原理图-20260408-中文-找手册网
STARDARD-HORION-PS2000_维修手册含电器原理图-20260408-中文
此内容为付费资源,请付费后查看
1921
付费资源

第1页 / 共81页

第2页 / 共81页

第3页 / 共81页

第4页 / 共81页

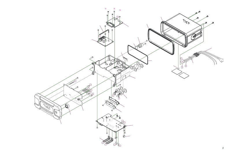
第5页 / 共81页

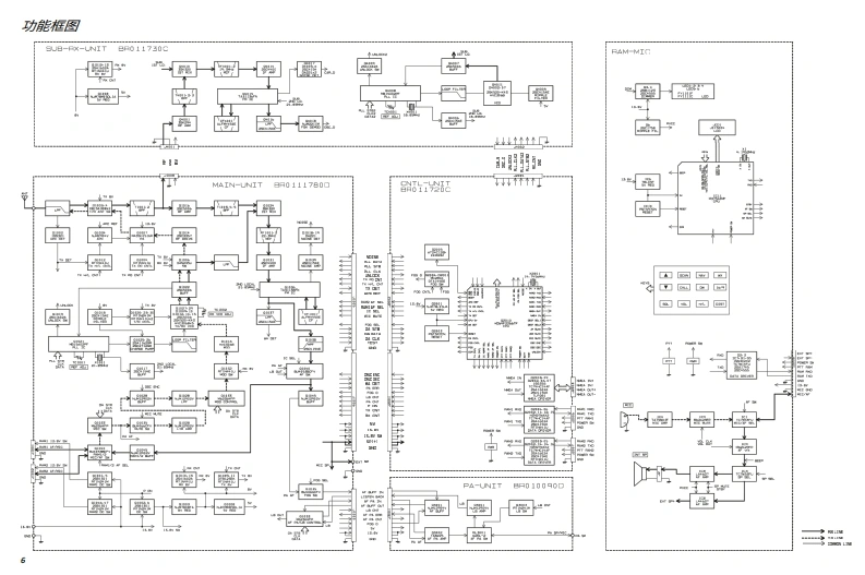
第6页 / 共81页

第7页 / 共81页

第8页 / 共81页

第9页 / 共81页

第10页 / 共81页
试读已结束,还剩71页,您可下载完整版后进行离线阅读
THE END
5STANDARD HORIZON25瓦VHF/FM ITUD类DSC船用收发机PHANTOM系列PS2O00服务手册
喜欢就支持一下吧
评论 抢沙发

请登录后发表评论

    请登录后查看评论内容