日本古野FURUNO-18x4c_19x4c_1920c_安装调试说明书手册-20260409中文版

日本古野FURUNO-18x4c_19x4c_1920c_安装调试说明书手册-20260409中文版-找手册网
日本古野FURUNO-18x4c_19x4c_1920c_安装调试说明书手册-20260409中文版
此内容为付费资源,请付费后查看
1921
付费资源

第1页 / 共8页

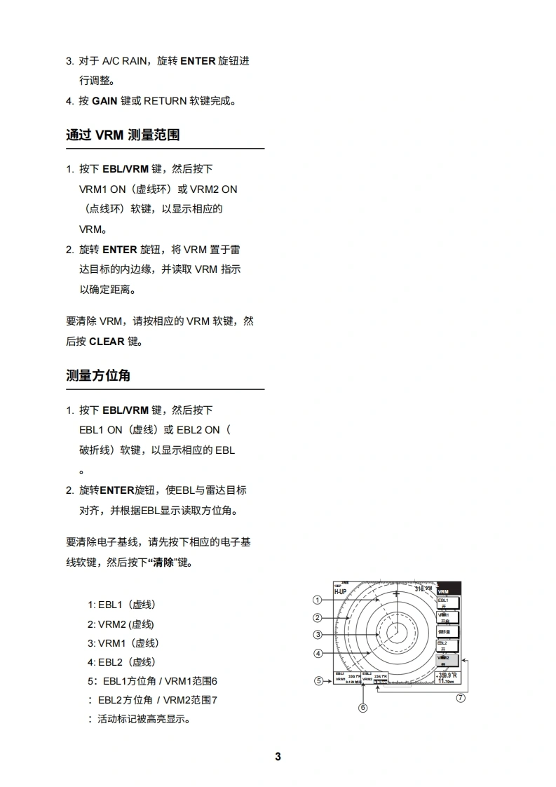
第2页 / 共8页

第3页 / 共8页

第4页 / 共8页

第5页 / 共8页

第6页 / 共8页

第7页 / 共8页

第8页 / 共8页
已完成全部阅读,共8
THE END
FURUNONAVnet型号1824C/1834C/1934C/1944C/1954C/1964C GD-1920C操作指南本指南旨在提供本设备的基本操作程序。如需了解更详细的信息,请参阅《操作手册》。8A1:打开关闭警报菜单。2:清除数据;删除所选标记。3:打开DISP/关闭主菜单。4:选择一个范围。9①5:输入字母数字数据。②6:雷达:显示用于调整增益、AC SEA、EA/C RAIN的软键。声纳:调整增益。④7:按住三秒:关闭电源。短按:打开电源;⑧显示用于调节亮度和色调的软键;显示"RADAR STBY/TX"软键。128:显示模式选择窗口。9:短按:将本船位置保存为航点。按住三秒:棕记落水人员位置。⑥10:显示或隐藏软键、功能键及导航数据。1011:显示EBLNRM的软键。12:软键⑦A:轨迹球移动EBLNRM和光标;选择菜单项目和选项。B:ENTER旋钮按压:保存设置。1旋转:调整增益、VRM、EBL等;选择菜单项目和选项。也可用于输入字母数字数据。C:图表驱动电源开关约3秒)开启电源短暂按下POWER/BRILL键。关闭电源长按POWER/BRILL键,直到屏幕熄灭(
喜欢就支持一下吧
评论 抢沙发

请登录后发表评论

    请登录后查看评论内容