

第1页 / 共15页

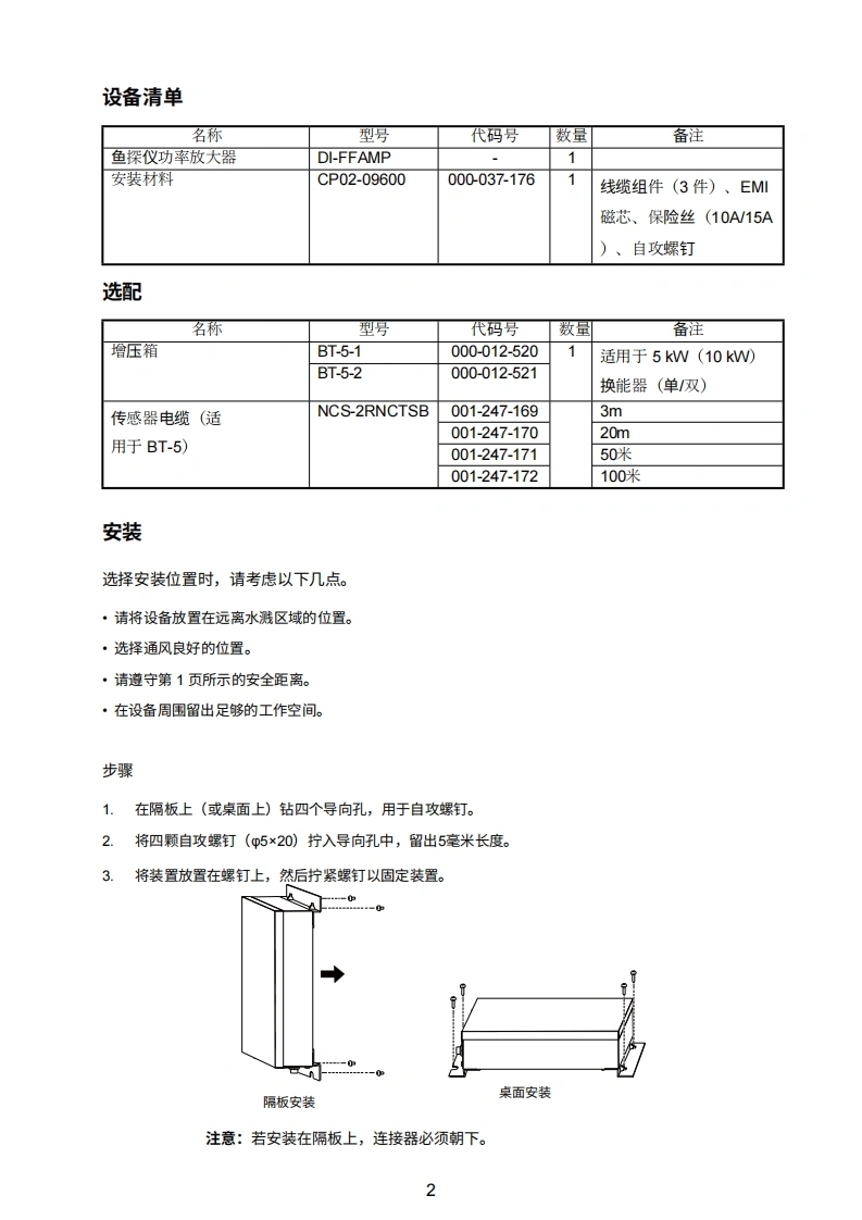
第2页 / 共15页

第3页 / 共15页

第4页 / 共15页

第5页 / 共15页

第6页 / 共15页

第7页 / 共15页

第8页 / 共15页

第9页 / 共15页

第10页 / 共15页
试读已结束,还剩5页,您可下载完整版后进行离线阅读
THE END
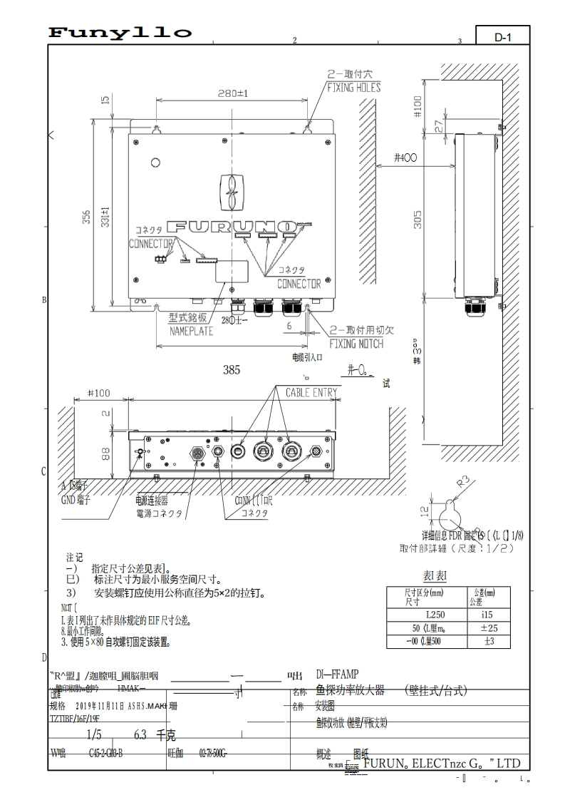
鱼探仪功率放大器安装手册型号D-FFAMP致DI-FFAMP用户的一封信恭喜您选购了FURUNO DI-FFAMP鱼探仪功率放大器。DIl-FFAMP是一款专为TZtouch3(TZT12F/16F/19F)多功能显示器内置鱼探仪设计的功率放大器。请仔细阅读并遵循推荐的安装和维护程序。感谢您选择并购买FURUNO产品。操作注意事项·需使用独立电源。请通过船用配电盘从船用主电源取电。·当多功能显示屏断电时,D-FFAMP不会随之关闭。功率放大器的待机功耗为6.2瓦,因此在不使用时请将其关闭。·当功率放大器处于工作状态时,底层识别、RezB0ost和ACCU-FISH功能将被禁用。·该功放可与两款船体内置换能器配合使用:R599 LM/LH和R111LH。请勿在换能器脱离水面的情况下发射信号,以免损坏换能器。·请使用多功能显示屏更改功率放大器的程序版本。有关如何升级程序版本的信息,请联系FURUNO。安全须知安装人员在安装设备前必须阅读安全说明。△整告表示潜在的危险情况,如果不加以避免,可能会导致死亡或严重受伤。注意表示潜在的危险情况,如果不加以避免,可能会导致轻微或中度受伤。警告、注意禁止行为强制性操作△注意请遵守以下罗盘安全距离,以防止对磁罗盘造成干扰:0
请登录后查看评论内容