

第1页 / 共65页

第2页 / 共65页

第3页 / 共65页

第4页 / 共65页

第5页 / 共65页

第6页 / 共65页

第7页 / 共65页

第8页 / 共65页

第9页 / 共65页

第10页 / 共65页
试读已结束,还剩55页,您可下载完整版后进行离线阅读
THE END
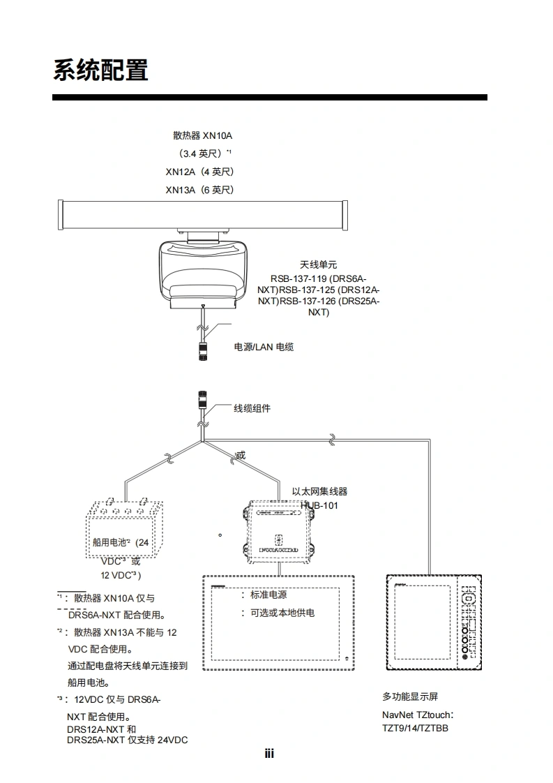
FURUNO安装手册雷达传感器型号DRS6A-NXT/DRS12A-NXTDRS25A-NXT(产品名称:固态多普勒雷达)安全说明系统配置安装规格.iv前言设备清单1.安装与布线1.1安装注意事项.1.11.2随附物品.41.3所需工具和材料.51.4将散热器固定到散热器支架上61.5安装天线单元.81.6布线….112.初始设置.152.1TZT9/TZT14/TZTBB的初始设置.162.2TZTL12F/TZTL15FTZT2BB/TZT12F/TZT16FTZT19F的初始设置.183.维护与故障排除..213.1维护.….223.2故障排除233.3更换保险丝233.4零件寿命.24附录1无线电监管信息AP-1规格..SP1包装清单…A-1外形图.D-1互连图.…S-1
请登录后查看评论内容