

第1页 / 共135页

第2页 / 共135页

第3页 / 共135页

第4页 / 共135页

第5页 / 共135页

第6页 / 共135页

第7页 / 共135页

第8页 / 共135页

第9页 / 共135页

第10页 / 共135页
试读已结束,还剩125页,您可下载完整版后进行离线阅读
THE END
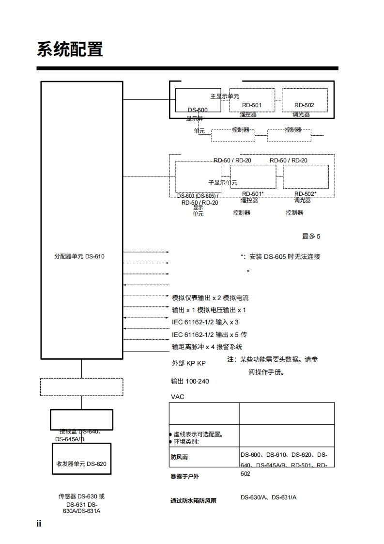
■多普勒声纳安装手册DS-60型安全说明,系统配置,...设备清单,..1.安装.1-11.1显示单元DS-600..1-11.2收发器单元DS620.1-41.3分配器DS-610..1-51.4传感器1-61.5接线盒DS-640、DS-645AB(G选配)..1-231.6使用DS-605安装显示单元(防水盒,选配).1-241.7RD-501遥控器/RD-502调光控制器(可选).1-262.接线..…..…..2-12.1分配器DS-6102-22.2 DIPSW S3设置..2-52.3如何调整模拟指示器.…..............................a..2-62.4收发器单元DS-6202-72.5显示单元DS-600、遥控器RD-501/调光控制器RD-502(选配)2-82.6接线盒(何选)….2-103.菜单设置……3-13.1如何使用[服务]菜单3-13.2如何设置[系统]菜单.3-43.3演示模式…3-8附录1校准.AP-1附录2JIS电缆指南..AP-4附录3数字接口AP-5附录4警报列表.....AP-13装箱单..A-1轮廓图….D-1互连图S-1
请登录后查看评论内容