艾可慕Icom_VE-PG3_使用说明书手册20260331中文版

艾可慕Icom_VE-PG3_使用说明书手册20260331中文版-找手册网
艾可慕Icom_VE-PG3_使用说明书手册20260331中文版
此内容为付费资源,请付费后查看
1921
付费资源

第1页 / 共463页

第2页 / 共463页

第3页 / 共463页

第4页 / 共463页

第5页 / 共463页

第6页 / 共463页

第7页 / 共463页

第8页 / 共463页

第9页 / 共463页

第10页 / 共463页
试读已结束,还剩453页,您可下载完整版后进行离线阅读
THE END
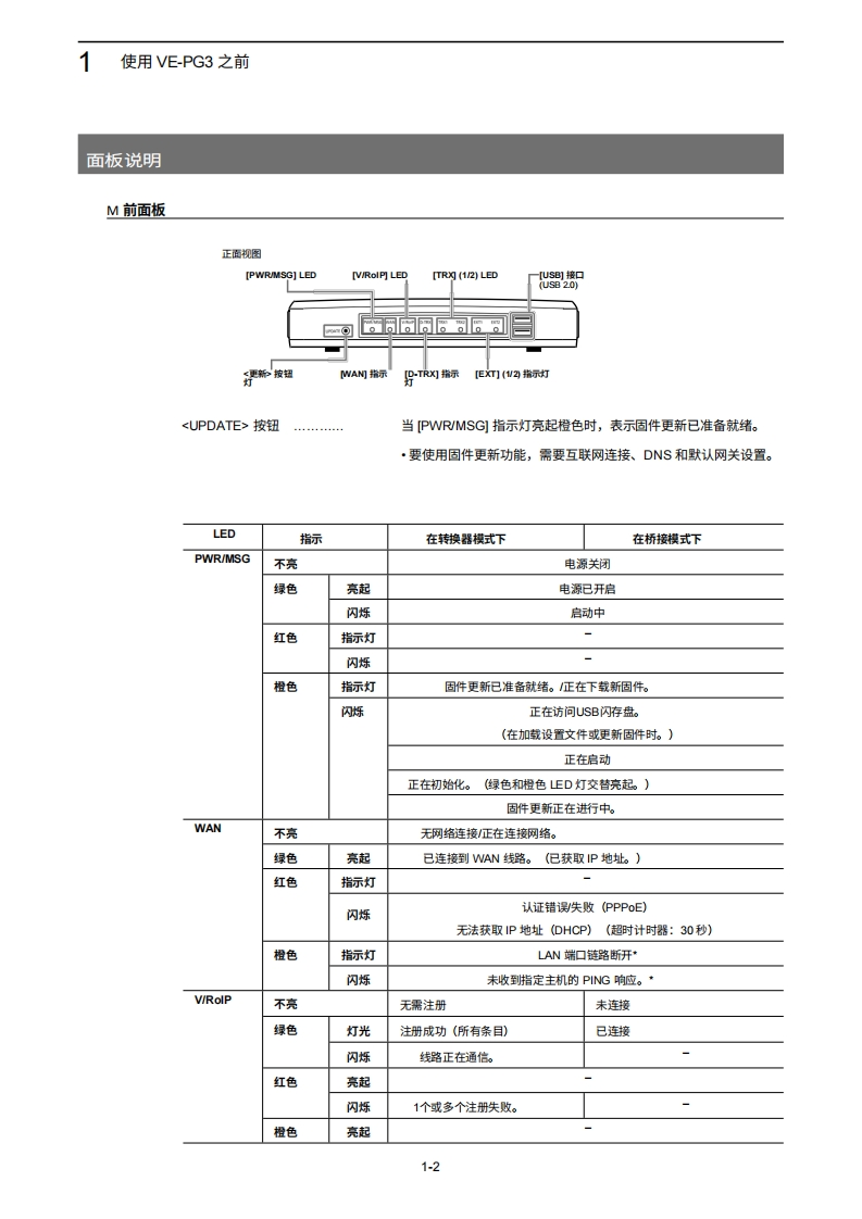
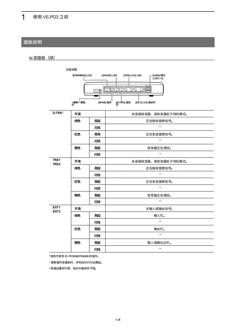
icom使用说明书RolP网关引信VE-PG31使用VE-PG3之前2桥接模式的应用3转换器模式的应用4模拟电话应用5桥接模式设置界面6转换器模式设置界面7维护8供您参考。。。·。。。a
喜欢就支持一下吧
评论 抢沙发

请登录后发表评论

    请登录后查看评论内容