

第1页 / 共11页

第2页 / 共11页

第3页 / 共11页

第4页 / 共11页

第5页 / 共11页

第6页 / 共11页

第7页 / 共11页

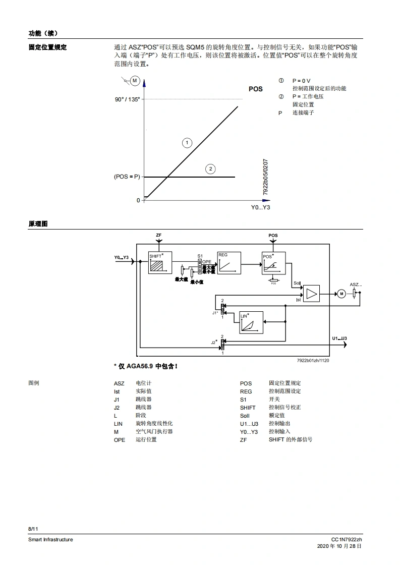
第8页 / 共11页

第9页 / 共11页

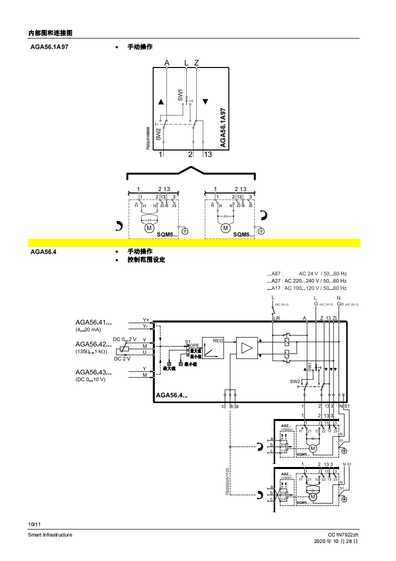
第10页 / 共11页
试读已结束,还剩1页,您可下载完整版后进行离线阅读
THE END
SIEMENS792电子功能模块AGA56...电子功能模块,用于通过连续的模拟控制信号控制执行器SQM5,例如4.20A和连续的模拟位置反债信号。补充教据表请参见SQM5数据表N7815和ASZ数据表N7921。AGA56以及本数据表专供那些产品中内置或连接了AGA56的原始设备制造商(OEM)使用1应用AGA56是执行器SQM5的扩展模块。它们可以现场安装在执行器SQM5中,出厂时也可以作为执行器SQM5的部件提供。CC1N7922zhSmart Infrastructure2020年10月28日
请登录后查看评论内容