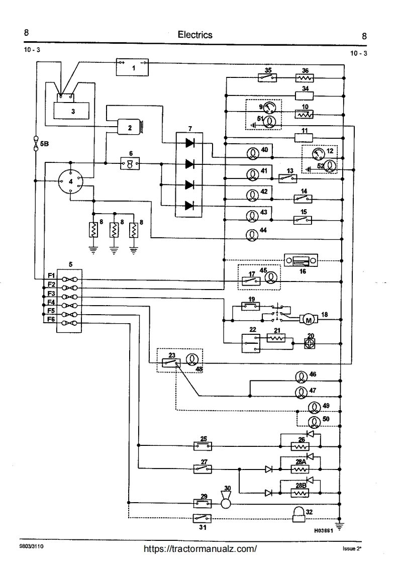
杰西博JCB-803-Compact-Excavator-维修用电器原理图

杰西博JCB-803-Compact-Excavator-维修用电器原理图-找手册网
杰西博JCB-803-Compact-Excavator-维修用电器原理图
此内容为付费资源,请付费后查看
3941
付费资源

第1页 / 共11页

第2页 / 共11页

第3页 / 共11页

第4页 / 共11页

第5页 / 共11页

第6页 / 共11页

第7页 / 共11页

第8页 / 共11页

第9页 / 共11页

第10页 / 共11页
试读已结束,还剩1页,您可下载完整版后进行离线阅读
THE END
8Electrics810.110.1CIRCUIT DIAGRAM110☑711②40③21330@416519c021202348@?2449502628730329803/3110Issue 1https://tractormanualz.com/
喜欢就支持一下吧
评论 抢沙发

请登录后发表评论

    请登录后查看评论内容