坦能清洗机洗地机nobles-ez-rider-hp-rider-floor-scrubber-service-manual-(1)维修手册含电器原理图

坦能清洗机洗地机nobles-ez-rider-hp-rider-floor-scrubber-service-manual-(1)维修手册含电器原理图-找手册网
坦能清洗机洗地机nobles-ez-rider-hp-rider-floor-scrubber-service-manual-(1)维修手册含电器原理图
此内容为付费资源,请付费后查看
1921
付费资源

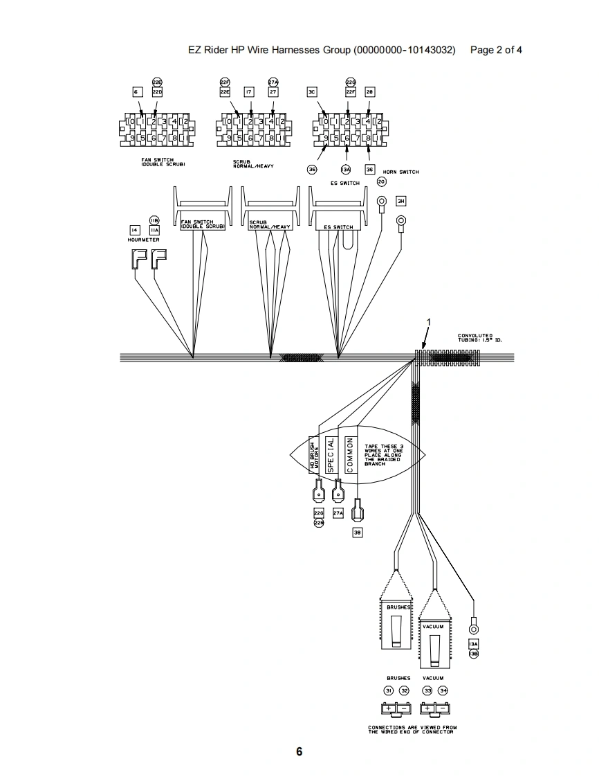
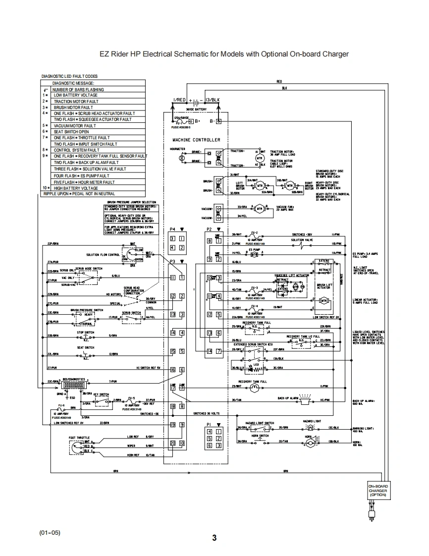
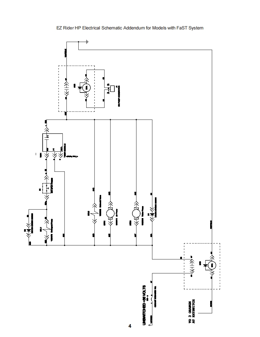
第1页 / 共73页

第2页 / 共73页

第3页 / 共73页

第4页 / 共73页

第5页 / 共73页

第6页 / 共73页

第7页 / 共73页

第8页 / 共73页

第9页 / 共73页

第10页 / 共73页
试读已结束,还剩63页,您可下载完整版后进行离线阅读
THE END
ONOBLESEZ Rider HP TMService InformationFoam Scrubbing TechnologyPatents PendingThe safe scrubbing alternative330825Rev.00
喜欢就支持一下吧
评论 抢沙发

请登录后发表评论

    请登录后查看评论内容