siemens西门子QPD25中文说明安装操作说明书手册

siemens西门子QPD25中文说明安装操作说明书手册-找手册网
siemens西门子QPD25中文说明安装操作说明书手册
此内容为付费资源,请付费后查看
1921
付费资源

第1页 / 共9页

第2页 / 共9页

第3页 / 共9页

第4页 / 共9页

第5页 / 共9页

第6页 / 共9页

第7页 / 共9页

第8页 / 共9页

第9页 / 共9页
已完成全部阅读,共9
THE END
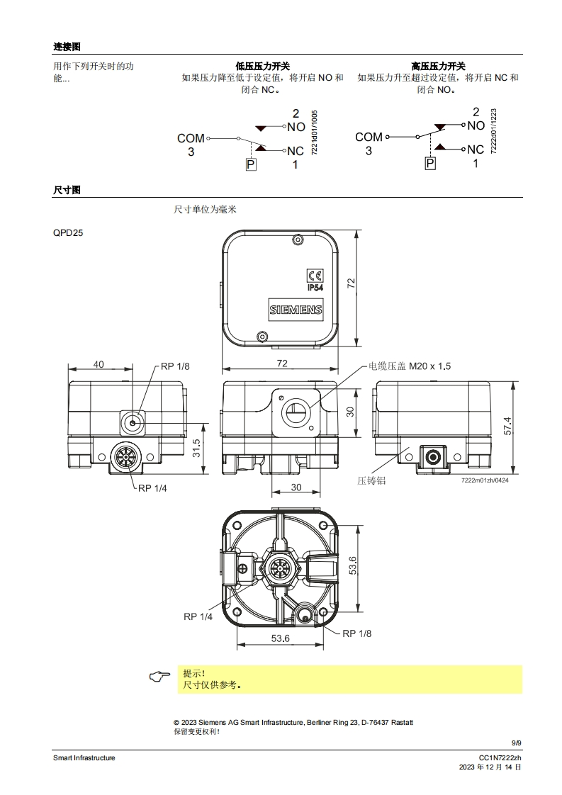
SIEMENS7222风压开关和气压开关的QPD25...压差开关压差开关用于监测燃气压风压以及燃气流风流。低于或超过设置的动作点时,中断或转换连接的电路。QPD25以及本资料专供在其设备中集成使用QPD25的原始设备制造商(OEM)使用1用途用于监测燃油设备或燃气设备(燃烧器、锅炉、火炉)的气压/风压或燃气流风流可调节的工作压力范围高达50kPa(取决于压力范围)适用于高达50kPa的长期性运作压力QPD25适合作为空气压差开关QPD25适合作为燃气压差开关(绝对压力)CC1N7222zhSmart Infrastructure2023年12月14日
喜欢就支持一下吧
评论 抢沙发

请登录后发表评论

    请登录后查看评论内容