

第1页 / 共16页

第2页 / 共16页

第3页 / 共16页

第4页 / 共16页

第5页 / 共16页

第6页 / 共16页

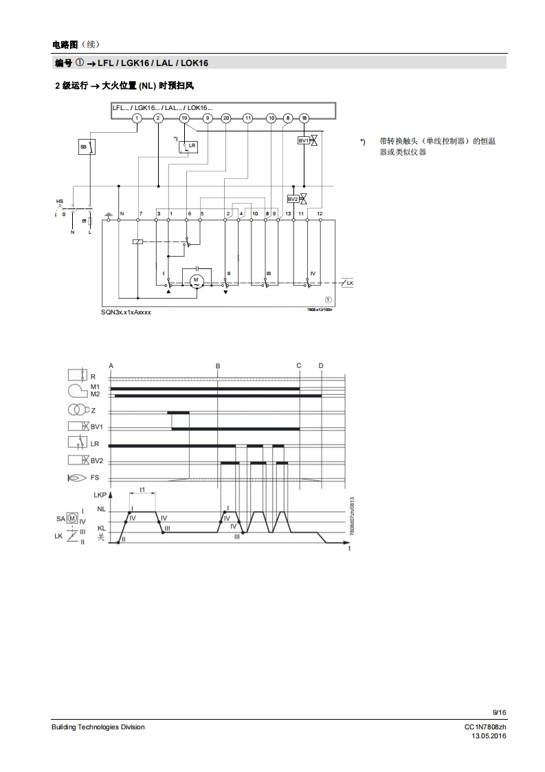
第7页 / 共16页

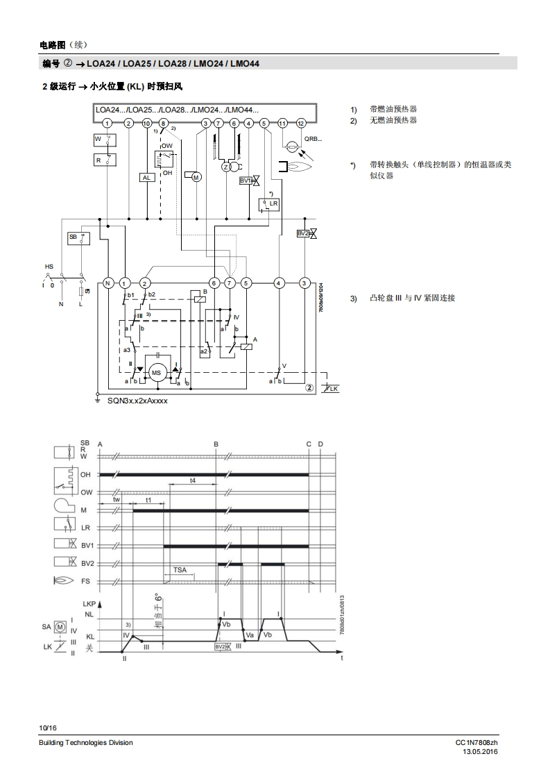
第8页 / 共16页

第9页 / 共16页

第10页 / 共16页
试读已结束,还剩6页,您可下载完整版后进行离线阅读
THE END
SIEMENS7808执行器SQN3...SQN4...用于中小型功率燃油或燃气燃烧器上风门挡板和燃料调节阀的电动执行器。SQN3/SQN4以及本数据表专供在产品中使用SQN3/SQN4的原始设备制造商(OEM)使用1应用/特征执行器SQN3/SQN4设计用于中小型功率燃油或燃气燃烧器上气门和风门挡板的驱动装置,以根据负荷控制燃料及燃烧空气量:与P-PI或PD调节器连接,比如RWF直接通过不同的燃烧器控制器,比如LOA,LMO,LMG,LFL与单线控制器、双线控制器或三点调节器连接·均配有抗冲击、耐热的塑料外罩、用于电气连接的螺钉接线端子可脱离、无需维护的传动机构内部和外部位置指示用于动作点调节,可轻松调节的限位和铺助开关·保持力矩:SQN30.8.3NmSQN46 Nm·运行时间:SON34.5.30sSQN4120s·旋转方向:SQN30向左旋转SQN31/SQN41向右旋转CC1N7808zhBuilding Technologies Division13.052016
请登录后查看评论内容