

第1页 / 共13页

第2页 / 共13页

第3页 / 共13页

第4页 / 共13页

第5页 / 共13页

第6页 / 共13页

第7页 / 共13页

第8页 / 共13页

第9页 / 共13页

第10页 / 共13页
试读已结束,还剩3页,您可下载完整版后进行离线阅读
THE END
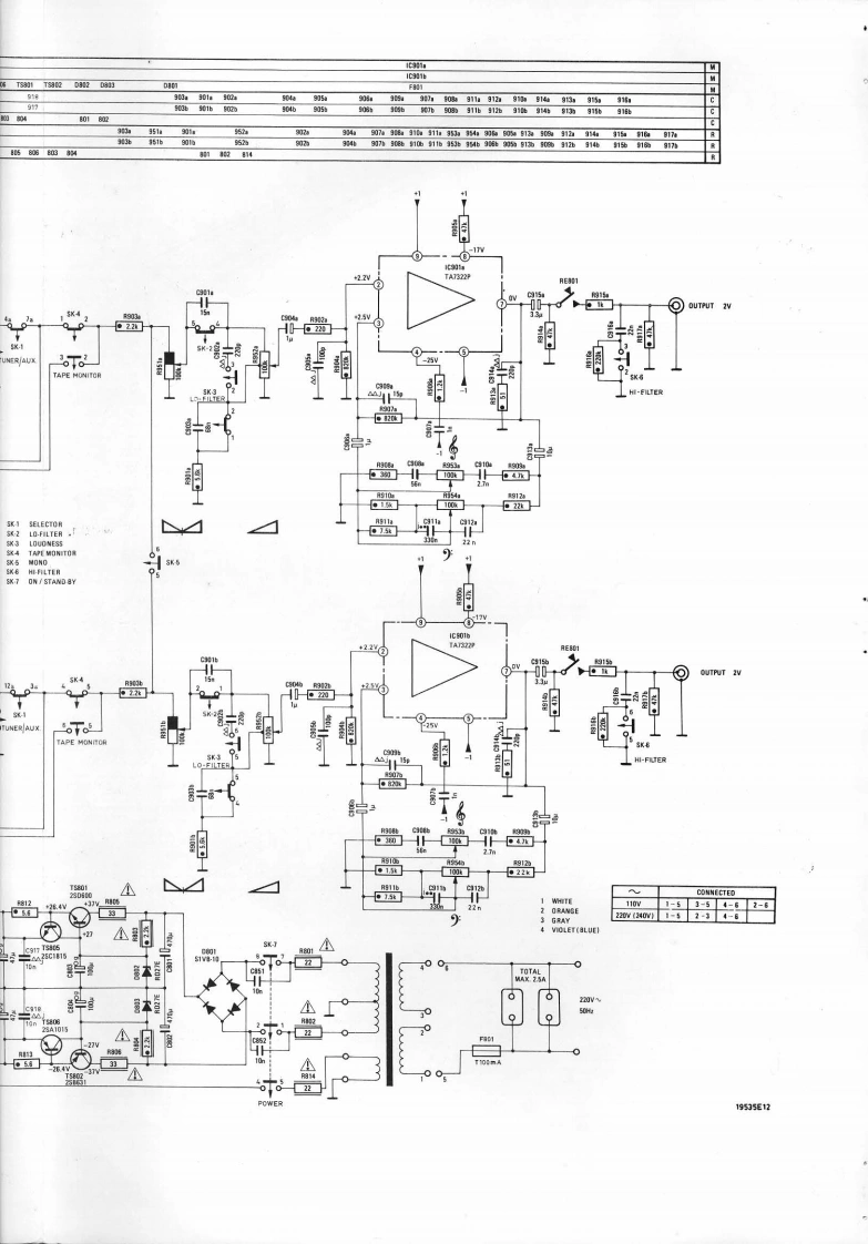
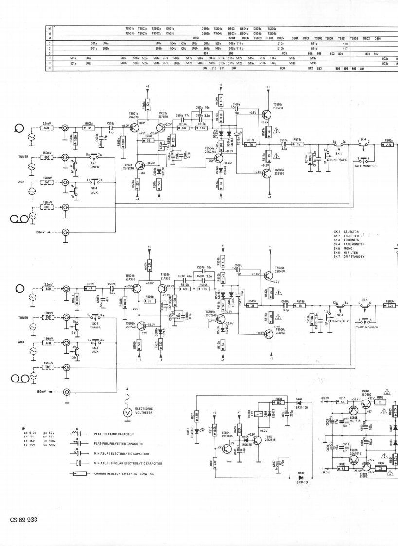
www.nostatech.nlHi-Fi pA 22AH209Service00/15/16ServiceServiceService Manual9TAPEMONOMONR954R953SK-5SK4R952SK-7SK-3SK-2SK6SK-1R951ON/STAND-BYLOUDNESS LOWHIGHSELECTORfilterfilter19517A12Documentation Technique Service Dokumentation Documentazione di Servizio Huolte-Ohje Manual de Servicio Manual de ServicioSubject to modificationGBNLF482272513587DPHILIPSPrinted in The NetherlandsCS69930
请登录后查看评论内容