飞利浦310466hfe_philips_fwm372_572_schematics维修手册电器原理图

飞利浦310466hfe_philips_fwm372_572_schematics维修手册电器原理图-找手册网
飞利浦310466hfe_philips_fwm372_572_schematics维修手册电器原理图
此内容为付费资源,请付费后查看
1921
付费资源

第1页 / 共22页

第2页 / 共22页

第3页 / 共22页

第4页 / 共22页

第5页 / 共22页

第6页 / 共22页

第7页 / 共22页

第8页 / 共22页

第9页 / 共22页

第10页 / 共22页
试读已结束,还剩12页,您可下载完整版后进行离线阅读
THE END
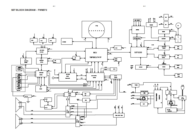
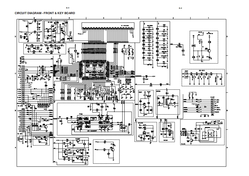
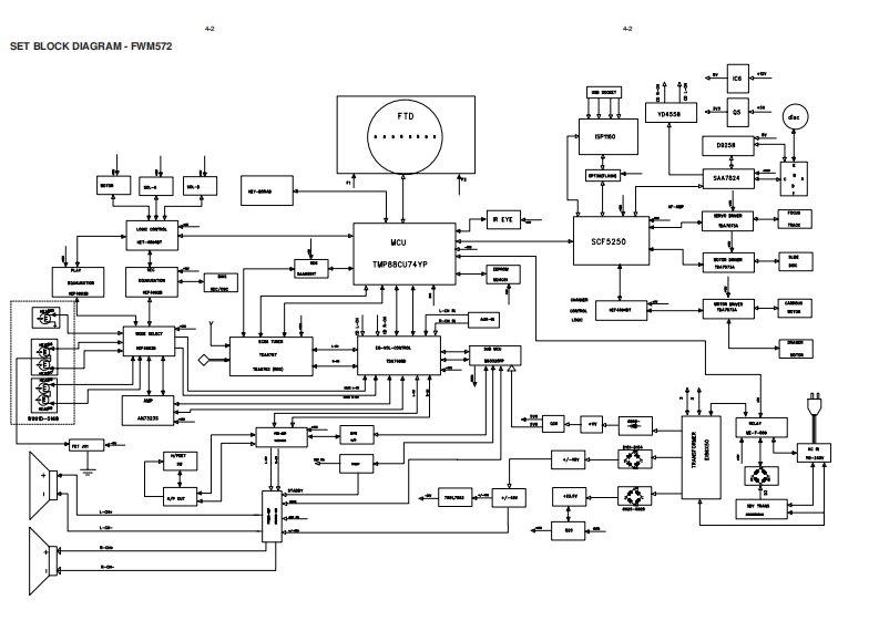
Mini SystemFWM372/all versionsFWM572/all versionsServiceServiceServiceService Manuald5胞COMPACTd56DIGITAL AUDIODIGITAL AUDIORecordableTABLE OF CONTENTSReWritable)PageCOMPACTMP3-CD PLAYBACKLocation of PC Boards...1-2Versions Variation Package1-2DIGITAL AUDIOSpecifications............1-3Measurement Setup ..........1-4Service Aids,Safety Instruction,etc.............1-5 to 1-7USB✉aDIRECTPreparations Controls ............................1-8 to 1-10Maintenance Troubleshooting .....................1-11Setting Procedure Repair Instructions.......Disassembly Instructions&Service positions..........3Block Diagram…4Wiring Diagram......Front Board &Key Board...................................6ECO6 Tuner Board:Systems Non-Cenelec.............7ASystems Cenelec.7BETFTTape Board.8Mains Board......9Power Board11AF9 Board…12Mechanical Exploded View Parts List13Revision List…14CLASS 1LASER PRODUCTGB314178530861Version 1.1经PHILIPS
喜欢就支持一下吧
评论 抢沙发

请登录后发表评论

    请登录后查看评论内容