

第1页 / 共14页

第2页 / 共14页

第3页 / 共14页

第4页 / 共14页

第5页 / 共14页

第6页 / 共14页

第7页 / 共14页

第8页 / 共14页

第9页 / 共14页

第10页 / 共14页
试读已结束,还剩4页,您可下载完整版后进行离线阅读
THE END
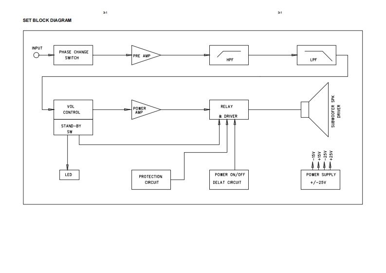
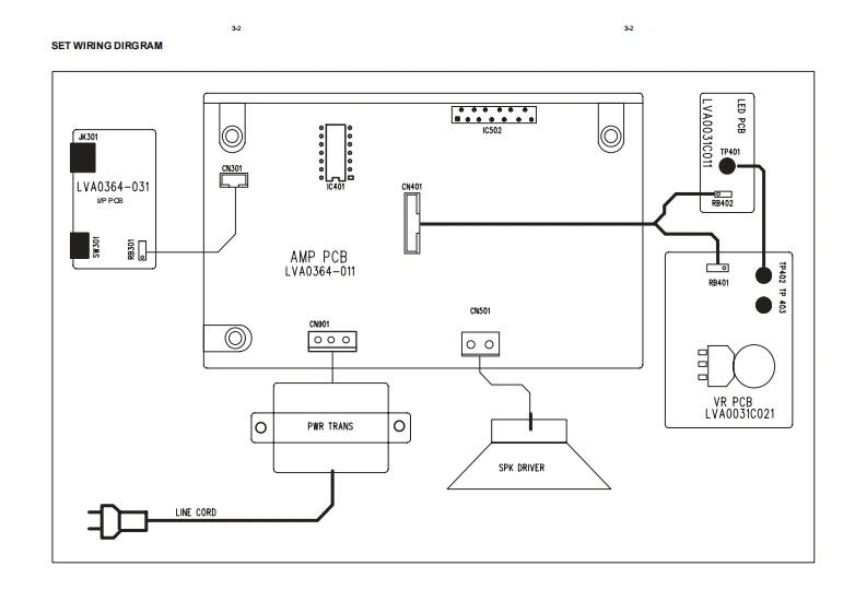
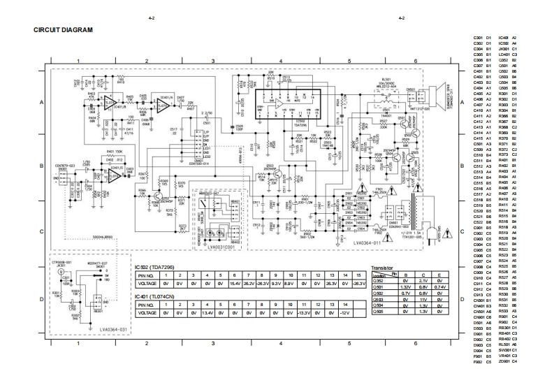
Active SubwooferSW3600/17SServiceServiceServiceService ManualTABLE OF CONTENTSPageLocation of PC Boards/Specifications1-2Specifications............1-2Measurement Setup ......1-3ESD&Safety Instruction.…….1-4Disassembly Instructions Service Positions..........Set Block Wiring Diagram3Amplifier,I/P LED/R Boards.4Mechanical Exploded View &Parts List.5Copyright 2002 Philips Consumer Electronics B.V.Eindhoven,The NetherlandsAll rights reserved.No part of this publication may be reproduced,stored in a retrieval system oraoiprorcn8rpgnadedionneanci.pholocapn,oroherweGBPublished by KC-ET0227 Service Audio Printed in The Netherlands Subject to modification313978530069Version 1.0的PHILIPS
请登录后查看评论内容