飞利浦philips22ah270sm维修手册电器原理图

飞利浦philips22ah270sm维修手册电器原理图-找手册网
飞利浦philips22ah270sm维修手册电器原理图
此内容为付费资源,请付费后查看
1921
付费资源

第1页 / 共10页

第2页 / 共10页

第3页 / 共10页

第4页 / 共10页

第5页 / 共10页

第6页 / 共10页

第7页 / 共10页

第8页 / 共10页

第9页 / 共10页

第10页 / 共10页
已完成全部阅读,共10
THE END
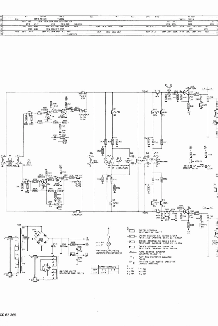
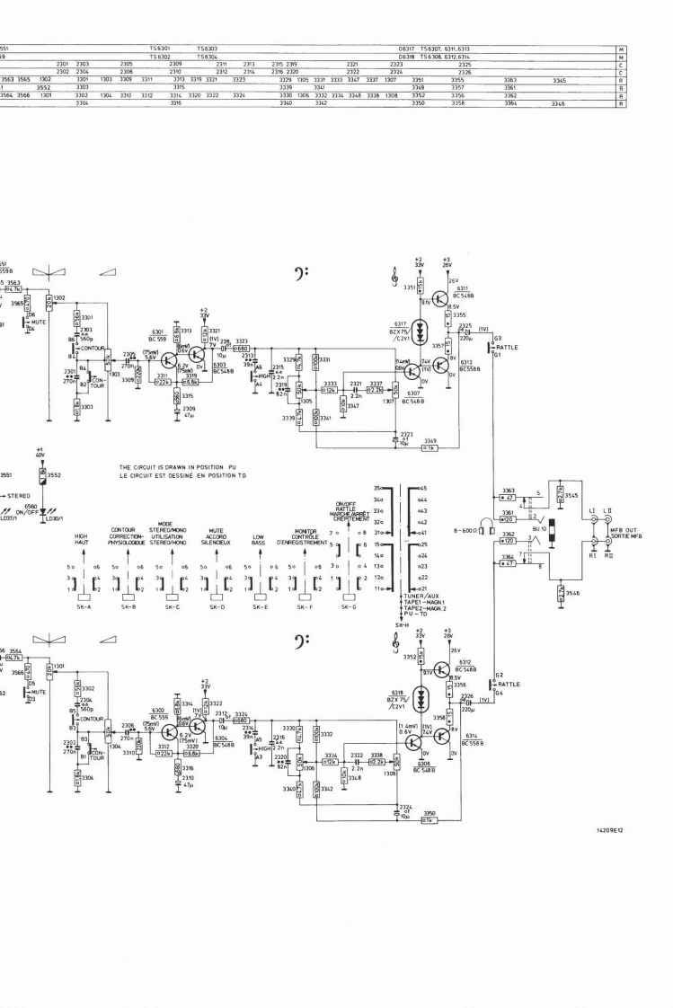
10Hi-Fi Pre-A 22AH270/00/15/29ServiceServiceServiceService Manual20-20000Hz(±1dB)D≤0.1%200m/180kIVoD00200mV/100k1200m/1002.3mWw/么7kTUNER0○0○aaa382胖3BU10D65606●0感SK-GSK-88-600nSK-HD6959SK-F●0LOUONESSSTEREOMONITORMUTECORR.SELECTEORACCORDPHYSIOLOGIQUESILENCIEUX1551B12Documentation Technique Service Dokumentation Documentazione di Servizio Huolte-Ohje Manual de Servicio Manual de ServicioPHILIP时Subect to modification482272512772PHILIPSPrinted in The Netherlands
喜欢就支持一下吧
评论 抢沙发

请登录后发表评论

    请登录后查看评论内容